在此输入您的增值税号,然后单击验证:
您的详细信息已经过验证。增值税号注册至:
,
。
现在,您的订单的增值税税率为零。我们保留在您提出订单请求后验证这些详细信息的权利,并在需要时恢复增值税。
您的增值税详细信息无法识别或无效。您的增值税号必须与上面指定的帐单国家/地区相匹配。当前指定为 。您无需输入增值税号的国家/地区代码部分,因为已在上面的帐单地址详细信息中选择了该部分。
增值税号查询服务目前已离线。请在下面的评论或特殊说明字段中提供您的增值税详细信息,我们将在您提出订单请求后应用增值税折扣。
标准更换零件

Fits:
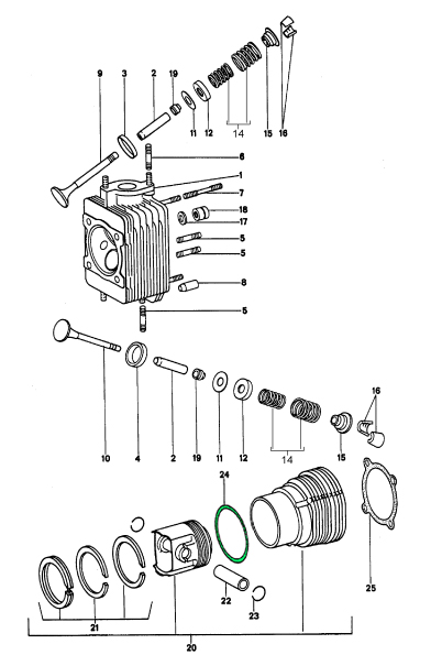
Porsche 911/911S Carrera 2.7L 1973-77
Click 'Zoom in' for large parts diagram.
Diagram ref no 24
相关参考编号
相关编号、被取代编号、交叉引用编号或替代编号,供比较之用。
91110419200
您正在查看的产品与这些编号存在交叉引用关系
- Porsche 911 1968-1973 2.2L / 2.4L / 2.7L RS LWB (F)
- Porsche 911 1974-1977 2.7L / 1976-77 3.0 Carrera

Fits:
Porsche 911/911S Carrera 2.7L 1973-77
Click 'Zoom in' for large parts diagram.
Diagram ref no 24
相关参考编号
相关编号、被取代编号、交叉引用编号或替代编号,供比较之用。
91110419200
您正在查看的产品与这些编号存在交叉引用关系
- Porsche 911 1968-1973 2.2L / 2.4L / 2.7L RS LWB (F)
- Porsche 911 1974-1977 2.7L / 1976-77 3.0 Carrera
标准更换发动机活塞——保时捷发动机的精密配合、性能和寿命
发动机活塞是保时捷动力装置的心脏,它将燃烧能量转化为动力,并决定着发动机的动力、效率和特性。随着时间的推移,即使是最耐用的部件也会因高温、摩擦和高转速运行而磨损——因此,精密更换对于恢复性能和可靠性至关重要。
Design911 提供全系列标准替换活塞,其设计符合保时捷发动机的制造商级公差。每个活塞均采用高强度铝合金制成,并经过精密加工以确保精确配合,从而确保适当的压缩比、减少摩擦并实现平稳的发动机运转。
无论您是重建经典的风冷水平对置六缸发动机还是维修现代涡轮增压车型,我们的活塞都能提供可靠的动力和长久的使用寿命,而不会受到影响
.发动机活塞起什么作用?
活塞在燃烧过程中起着核心作用,在点火前压缩空气和燃料,并通过连杆将力传递到曲轴。
核心功能:
- 将燃烧能量转化为运动,为发动机提供动力。
- 保持燃烧室和曲轴箱之间的压缩和密封。
- 确保气缸孔内运转平稳、旋转平衡。
- 通过保持正确的间隙来调节燃油效率和性能。
一组均衡、精密的活塞可确保您的保时捷在转速范围内实现最佳性能、减少排放和可靠的动力传输。
活塞为何会失效?
活塞每分钟要经受数千次极端的高温和高压,最终会导致磨损或损坏——尤其是在高里程或高性能发动机中。
活塞故障的常见原因包括:
- 因油污或润滑不良而导致的磨损和划伤。
- 由于过热而导致的热疲劳和开裂。
- 爆震或预点火,损坏活塞顶和环岸。
- 积碳过多,影响密封和压缩。
- 重建期间活塞间隙或环配合不正确。
活塞磨损的症状包括油耗、压缩降低、失火或冒烟,所有这些都表明需要立即检查或更换。
为什么要用精密设计的标准活塞进行更换?
安装精密替换活塞,可恢复您保时捷发动机的动力、效率和机械平衡。这些活塞采用原装公差设计,可直接安装,确保重建过程顺畅,并实现可靠的长期性能。
主要优点:
- 恢复压缩和发动机效率。
- 消除功率损失和石油消耗。
- 减少摩擦和磨损,延长发动机寿命。
- 采用热处理铝合金制成,具有出色的强度和轻便性。
- 完美适合风冷和水冷保时捷发动机。
- 非常适合修复、重建和维护项目。
精密活塞不仅可以让您的发动机恢复活力,还可以保持保时捷发动机闻名的平稳、灵敏的性能。
亮点:
- 适用于保时捷发动机的高强度替换活塞。
- 精密加工的表面,实现完美的密封和性能。
- 平衡重量设计,运行平稳、无振动。
- 设计满足或超过制造商的公差。
- 与经典和现代保时捷车型兼容。
- 非常适合发动机重建、修复或预防性维护。