Pièces de commande de changement de vitesse

Convient :
Porsche 924S 1986-88
Porsche 944 1982-91
Porsche 968
Les leviers de changement de vitesse intermédiaires relient les arbres d'entrée de transmission à la tringlerie de changement de vitesse. Le levier est dévié par ce roulement en plastique et est dévié dans presque tous les véhicules. Il en résulte un jeu excessif dans la tringlerie de changement de vitesse des Porsche 924, 944 et 968. Vous pouvez ainsi éliminer la sensation de bâclée du levier de vitesses usé.
Le roulement s'adapte à toutes les boîtes-ponts quatre cylindres Porsche, qu'elles soient 924S ou 944S2/turbo.
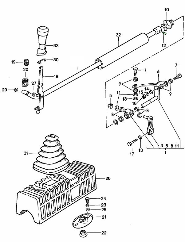
Cliquez sur "Zoom avant" pour le schéma des grandes pièces.
L'article est entre No.21
Numéros de référence associés
Numéros associés, remplacés, de référence croisée ou alternatifs à des fins de comparaison.
94442401304
Le produit que vous consultez fait référence à ces numéros
- Porsche 924S 2.5L 1986-87
- Porsche 924S 2.5L 1988
- Porsche 944 2.7L 8V 1988-89
- Porsche 944S 2.5L 16V 1987-88
- Porsche 944S2 3.0L 16V 1989-91
- Porsche 968 3.0L 1992-94
- Porsche 968 Sport 3.0L 1994-95
- Porsche 968 CS 3.0L 1993-95
- Porsche 968 Turbo S 3.0L 1993-94

Convient :
Porsche 924 - 1976 à 1985
Porsche 924S - 1986 à 1988
Porsche 944 - 1982 à 1991
Porsche 968 - 1992 à 1995
Cliquez sur « Zoomer » pour afficher le diagramme des grandes pièces.
Schéma réf n°23
Numéros de référence associés
Numéros associés, remplacés, de référence croisée ou alternatifs à des fins de comparaison.
94442423101
Le produit que vous consultez fait référence à ces numéros
- Porsche 924 2.0L 1976-79
- Porsche 924 2.0L 1980-85
- Porsche 924 Turbo 2.0L 1979-81
- Porsche 924 Turbo 2.0L 1982-84
- Porsche 924 Carrera GT 2.0L 1981
- Porsche 924 Carrera GTS 2.0L 1982
- Porsche 924S 2.5L 1986-87
- Porsche 924S 2.5L 1988
- Porsche 944 2.5L 8V 1982-87
- Porsche 944 2.7L 8V 1988-89
- Porsche 944S 2.5L 16V 1987-88
- Porsche 944S2 3.0L 16V 1989-91
- Porsche 944 Turbo 2.5L 8V 1985-88
- Porsche 944 Turbo 2.5L 8V 1989-91
- Porsche 944 Turbo S 2.5L 8V 1988
- Porsche 968 3.0L 1992-94
- Porsche 968 Sport 3.0L 1994-95
- Porsche 968 CS 3.0L 1993-95
- Porsche 968 Turbo S 3.0L 1993-94

Convient :
Pour les voitures avec transmission Tiptronic
Porsche 964 1989-94
Porsche 993 1995-98
Porsche 968 1992-95
Cliquez sur "Zoom avant" pour le schéma des grandes pièces.
Schéma réf n° 24
Numéros de référence associés
Numéros associés, remplacés, de référence croisée ou alternatifs à des fins de comparaison.
94342604700
Le produit que vous consultez fait référence à ces numéros
- Porsche 964 (911) C2 1989-93
- Porsche 964 (911) C4 1989-93
- Porsche 964 (911) RS 3.6L 1991-93
- Porsche 964 (911) RS 3.8L 1991-93
- Porsche 964 (911) TURBO 3.3L 1991-93
- Porsche 964 (911) TURBO 3.6L 1991-93
- Porsche 993 (911) C2 1994-97
- Porsche 993 (911) C4 1994-97
- Porsche 993 (911) RS 1994-97
- Porsche 993 (911) C2S 1994-97
- Porsche 993 (911) C4S 1994-97
- Porsche 993 (911) TURBO 1994-96
- Porsche 993 (911) GT2 1994-97
- Porsche 993 (911) TURBO S 1994-97
- Porsche 968 3.0L 1992-94
- Porsche 968 Sport 3.0L 1994-95
- Porsche 968 CS 3.0L 1993-95
- Porsche 968 Turbo S 3.0L 1993-94

Convient :
Porsche 968 1992-95
Cliquez sur "Zoom avant" pour le schéma des grandes pièces.
Schéma réf n° 1
Numéros de référence associés
Numéros associés, remplacés, de référence croisée ou alternatifs à des fins de comparaison.
94442401502
Le produit que vous consultez fait référence à ces numéros
- Porsche 968 3.0L 1992-94
- Porsche 968 Sport 3.0L 1994-95
- Porsche 968 CS 3.0L 1993-95
- Porsche 968 Turbo S 3.0L 1993-94

Convient :
TRANSMISSION MANUELLE
Porsche924 1980-85
Porsche924S 1986-88
Porsche944 1982-91
Porsche968 1992-95
Cliquez sur « Zoomer » pour afficher le diagramme des grandes pièces.
Schéma réf. 20
Numéros de référence associés
Numéros associés, remplacés, de référence croisée ou alternatifs à des fins de comparaison.
477711159B
Le produit que vous consultez fait référence à ces numéros
- Porsche 924 2.0L 1980-85
- Porsche 924S 2.5L 1986-87
- Porsche 924S 2.5L 1988
- Porsche 944 2.5L 8V 1982-87
- Porsche 944 2.7L 8V 1988-89
- Porsche 944S 2.5L 16V 1987-88
- Porsche 944S2 3.0L 16V 1989-91
- Porsche 944 Turbo 2.5L 8V 1985-88
- Porsche 944 Turbo 2.5L 8V 1989-91
- Porsche 944 Turbo S 2.5L 8V 1988
- Porsche 968 3.0L 1992-94
- Porsche 968 Sport 3.0L 1994-95
- Porsche 968 CS 3.0L 1993-95
- Porsche 968 Turbo S 3.0L 1993-94

Convient :
Porsche 968
Cliquez sur "Zoom avant" pour le schéma des grandes pièces.
Schéma réf n° 18
Numéros de référence associés
Numéros associés, remplacés, de référence croisée ou alternatifs à des fins de comparaison.
94442401304
Le produit que vous consultez fait référence à ces numéros
- Porsche 968 3.0L 1992-94
- Porsche 968 Sport 3.0L 1994-95
- Porsche 968 CS 3.0L 1993-95
- Porsche 968 Turbo S 3.0L 1993-94

Convient :
Porsche924 1976-85
Porsche924S 1986-88
Porsche944 1982-91
Porsche968 1992-95
Cliquez sur « Zoomer » pour afficher le diagramme des grandes pièces.
Schéma réf n°12
Numéros de référence associés
Numéros associés, remplacés, de référence croisée ou alternatifs à des fins de comparaison.
PCG711189A
Le produit que vous consultez fait référence à ces numéros
- Porsche 924 2.0L 1976-79
- Porsche 924 2.0L 1980-85
- Porsche 924 Turbo 2.0L 1979-81
- Porsche 924 Turbo 2.0L 1982-84
- Porsche 924 Carrera GT 2.0L 1981
- Porsche 924 Carrera GTS 2.0L 1982
- Porsche 924S 2.5L 1986-87
- Porsche 924S 2.5L 1988
- Porsche 944 2.5L 8V 1982-87
- Porsche 944 2.7L 8V 1988-89
- Porsche 944S 2.5L 16V 1987-88
- Porsche 944S2 3.0L 16V 1989-91
- Porsche 944 Turbo 2.5L 8V 1985-88
- Porsche 944 Turbo 2.5L 8V 1989-91
- Porsche 944 Turbo S 2.5L 8V 1988
- Porsche 968 3.0L 1992-94
- Porsche 968 Sport 3.0L 1994-95
- Porsche 968 CS 3.0L 1993-95
- Porsche 968 Turbo S 3.0L 1993-94

Convient :
Porsche 924 1981>>
Porsche 924S 1986-88
Porsche 944 1982-91
Porsche 968 1992-95
Diagramme Réf N° 20
- Porsche 924 2.0L 1980-85
- Porsche 924 Turbo 2.0L 1979-81
- Porsche 924 Turbo 2.0L 1982-84
- Porsche 924 Carrera GT 2.0L 1981
- Porsche 924 Carrera GTS 2.0L 1982
- Porsche 924S 2.5L 1986-87
- Porsche 924S 2.5L 1988
- Porsche 944 2.5L 8V 1982-87
- Porsche 944 2.7L 8V 1988-89
- Porsche 944S 2.5L 16V 1987-88
- Porsche 944S2 3.0L 16V 1989-91
- Porsche 944 Turbo 2.5L 8V 1985-88
- Porsche 944 Turbo 2.5L 8V 1989-91
- Porsche 944 Turbo S 2.5L 8V 1988
- Porsche 968 3.0L 1992-94
- Porsche 968 Sport 3.0L 1994-95
- Porsche 968 CS 3.0L 1993-95
- Porsche 968 Turbo S 3.0L 1993-94
Vendu chacun - 2 requis par voiture

Convient :
Porsche 944 - 1985 à 1991 (tiret tardif)
Porsche 968 - 1992 à 1995
Cliquez sur « Zoomer » pour afficher le diagramme des grandes pièces.
Schéma réf n°26a
Numéros de référence associés
Numéros associés, remplacés, de référence croisée ou alternatifs à des fins de comparaison.
477711139
Le produit que vous consultez fait référence à ces numéros
- Porsche 944 2.5L 8V 1982-87
- Porsche 944 2.7L 8V 1988-89
- Porsche 944S 2.5L 16V 1987-88
- Porsche 944S2 3.0L 16V 1989-91
- Porsche 944 Turbo 2.5L 8V 1985-88
- Porsche 944 Turbo 2.5L 8V 1989-91
- Porsche 944 Turbo S 2.5L 8V 1988
- Porsche 968 3.0L 1992-94
- Porsche 968 Sport 3.0L 1994-95
- Porsche 968 CS 3.0L 1993-95
- Porsche 968 Turbo S 3.0L 1993-94
Pièces de commande de changement de vitesse Porsche | Ingénierie de précision pour une sélection de vitesse fluide et précise
Les pièces de commande de changement de vitesse constituent le lien essentiel entre le levier de vitesses et la transmission de votre Porsche. Elles assurent une sélection des vitesses fluide, précise et réactive, traduisant les sollicitations du conducteur en un engagement net et précis. Qu'il soit manuel ou automatique, l'intégrité de votre système de changement de vitesse a un impact direct sur les sensations de conduite, la sécurité et les performances de la transmission.
Chez Design911, nous fournissons des pièces de commande de changement de vitesse de haute qualité, conçues pour égaler, voire dépasser, les performances d'origine. Fabriquées à partir de matériaux durables et conçues pour un montage précis, notre gamme comprend des tringleries, des bagues, des câbles, des supports et des mécanismes de sélection pour restaurer des changements de vitesse précis et éliminer le jeu et les vibrations.
Que vous remplaciez des composants usés ou que vous effectuiez une mise à niveau pour des performances améliorées, nos pièces de commande de changement de vitesse Porsche offrent une sensation de changement de vitesse, une fiabilité et une confiance du conducteur améliorées.
À quoi servent les pièces de commande de changement de vitesse ?
Les composants de commande de changement de vitesse garantissent que le mouvement du levier de vitesses est transféré avec précision à la boîte de vitesses ou au mécanisme de sélection, permettant un engagement correct des vitesses.
Fonctions principales :
- Transférer le mouvement du levier de vitesses à la transmission.
- Maintenez une sélection de vitesse fluide et précise.
- Absorbe les vibrations et empêche les mouvements excessifs dans les liaisons.
- Fournit une rétroaction tactile et réactive lors du changement de vitesse.
- Assurer un alignement cohérent pour les systèmes manuels et automatiques.
Sans composants de changement de vitesse fonctionnant correctement, les changements de vitesse peuvent sembler lâches, imprécis ou bruyants, ce qui entraîne une usure et des dommages potentiels à la boîte de vitesses.
Pourquoi les pièces de commande de changement de vitesse tombent-elles en panne ou s'usent-elles ?
Au fil du temps, les composants du changement de vitesse subissent des contraintes mécaniques, de la chaleur et des vibrations constantes, entraînant une usure ou un désalignement.
Les causes courantes d’échec comprennent :
- Bagues ou joints de liaison usés provoquant du jeu dans le levier de vitesses.
- Étirement ou détachement de câbles dans les systèmes à câbles.
- Supports fissurés ou joints métalliques fatigués.
- Corrosion ou contamination par la saleté et l’humidité.
Désalignement dû à un changement de vitesse difficile ou à des vibrations.
Lorsque ces pièces se dégradent, les conducteurs peuvent rencontrer des changements de vitesse bâclés ou rigides, des difficultés à engager les vitesses ou un mouvement excessif du levier de vitesses.
Pourquoi remplacer ou mettre à niveau les pièces de commande de changement de vitesse de votre Porsche ?
Le remplacement des composants usés ou endommagés du levier de vitesses permet de retrouver des changements de vitesse précis et une conduite sereine. L'utilisation de biellettes ou de bagues hautes performances améliore le retour tactile et réduit les mouvements du levier.
Principaux avantages :
- Restaure des changements de vitesse précis et réactifs.
- Élimine l'excès de jeu, de jeu ou de rigidité dans le levier de vitesses.
- Réduit les vibrations et améliore le confort de conduite.
- Améliore la précision et la sensation globales de la sélection des vitesses.
- Compatible avec Porsche 911, Cayman, Boxster et modèles classiques.
- Idéal pour les reconstructions, les restaurations et les améliorations de performances.
Il est recommandé de remplacer les composants de commande de changement de vitesse lors de l'entretien de l'embrayage ou de la boîte de vitesses afin de maintenir l'intégrité de la transmission et la cohérence des performances.
Points forts
- Pièces de commande de changement de vitesse Porsche haut de gamme pour transmissions manuelles et automatiques.
- Conçu avec précision pour un changement de vitesse fluide et précis.
- Comprend les liaisons, les bagues, les supports et les composants du sélecteur.
- Remplacements directs pour les modèles de route et de performance Porsche.
- Améliore la qualité du changement de vitesse, la précision et la fiabilité à long terme.
- Indispensable pour l'entretien, la restauration ou les mises à niveau des transmissions.