Kits
Design911 offre un'ampia selezione di pacchetti di parti Porsche, offrendo una soluzione ideale per gli appassionati Porsche che desiderano aggiornare, mantenere o personalizzare i propri veicoli. Questi pacchetti sono attentamente curati per includere componenti complementari, garantendo compatibilità e convenienza.
Adatto a:
- Porsche 928S4 5.0L 1987-92
- Porsche 928GT 5.0L 1989-91
- Porsche 928GTS 5.4L 1992-95
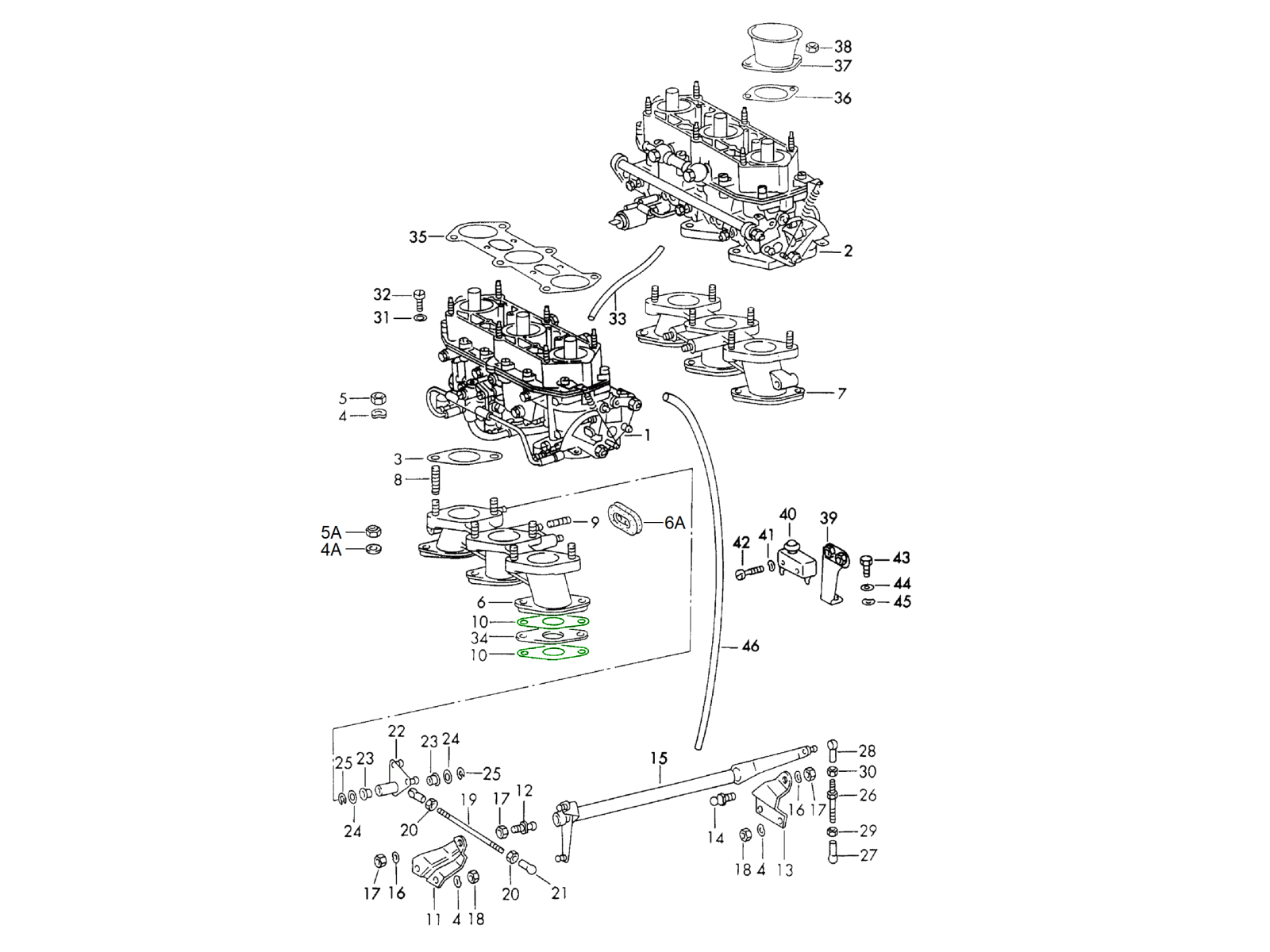
Diagramma rif. n. 1, 9, 10
Numeri di riferimento correlati
Numeri correlati, sostituiti, riferimenti incrociati o alternativi per il confronto.
92810557104
Il prodotto che stai visualizzando fa riferimento a questi numeri
- Porsche 928S4 5.0L 1987-92
- Porsche 928GT 5.0L 1989-91
- Porsche 928GTS 5.4L 1992-95
SilverRocket Dry Carbon Mini Gurney Flap & DRS-1 Rear
Wing Endplate Kit – Aerodynamic Precision for Porsche 718 GT4 RS
The SilverRocket Dry Carbon Mini Gurney Flap & DRS-1
Rear Wing Endplate Kit elevates Porsche 718 GT4 RS aerodynamics to true
motorsport standards. Designed for maximum performance and refined style, this
lightweight kit combines aerospace-grade dry carbon fibre construction
with CFD-optimised design to improve high-speed stability and downforce
efficiency.
Fits:
- Porsche Cayman GT4 718 4.0L / GT4 RS 718 4.0L
- Porsche Cayman GT4 RS Clubsport
2020-2024
The Mini Gurney Flap enhances the rear wing’s aerodynamic profile, while the DRS-1 Endplates streamline airflow across the wing edges, reducing turbulence and drag. Together, these upgrades deliver an 8.3 % increase in rear downforce at 200 km/h, ensuring superior rear-axle stability, sharper cornering, and enhanced driver confidence — both on road and track.
What Do They Do?
The kit’s components perform complementary aerodynamic functions:
Mini Gurney Flap
- Generates
additional downforce by energising airflow over the wing.
- Improves
high-speed balance and cornering stability.
- Increases aerodynamic grip without adding drag.
DRS-1 Endplates
- Control
lateral airflow to minimise pressure loss and turbulence.
- Enhance
downforce consistency across the entire wing span.
- Improve top-speed efficiency by reducing aerodynamic drag.
Why Standard Wing Components Fail
Typical plastic or composite rear-wing components degrade
under heat and aerodynamic load. Failures often occur due to:
- Material
fatigue or flexing during sustained high-speed use.
- Heat
deformation and UV-related cracking.
- Weak
structural bonding that causes vibration and air leakage.
- Inefficient geometry that disturbs airflow and reduces stability.
The SilverRocket kit overcomes these flaws using motorsport-grade carbon fibre layered with advanced resin bonding and a high-temperature resistant finish — guaranteeing strength, precision, and longevity even in demanding track conditions.
Why Upgrade to SilverRocket Carbon Aerodynamics
Replacing standard components with the SilverRocket kit offers quantifiable gains in both performance and aesthetics.
Key Benefits:
- +8.3
% rear downforce at 200 km/h for unmatched stability.
- 50
% lighter than standard alternatives, improving handling response.
- Aerospace-grade
dry carbon fibre ensures superior stiffness-to-weight ratio.
- CFD-validated
aerodynamic design reduces drag and enhances efficiency.
- UV
and heat-resistant finish ensures long-term durability.
- Perfect
fitment with manufacturer-quality alignment and mounting.
- Aggressive motorsport styling, highlighting the GT4 RS’s race-bred character.
Highlights
- Unique
SilverRocket Mini Gurney Flap enhances the GT4 RS wing’s sporty
aesthetic.
Combined with - Combined
with DRS-1 Endplates, delivers +8.3 % rear downforce at 200 km/h.
- Dry
carbon fibre construction is 50 % lighter than standard
plastic.
- CFD-tested
aerodynamic geometry ensures measurable performance gains.
- Motorsport-grade
materials withstand extreme track conditions.
- Improves high-speed stability, cornering control, and rear-end balance.
Numeri di riferimento correlati
Numeri correlati, sostituiti, riferimenti incrociati o alternativi per il confronto.
9GT827867A
Il prodotto che stai visualizzando fa riferimento a questi numeri
- Porsche Cayman GT4 718 4.0L / GT4 RS 718 4.0L
- Porsche Cayman GT4 RS Clubsport 2020-2024
Size: 16mm
This Stabilizer bar bushing is designed to replace the original 16 mm anti-roll bar mount bush used in Porsche 911 models (1974–1977) models. It secures the stabilizer bar to the chassis, allowing proper flex while isolating vibration and lateral movement.
Fits:
Porsche 911 1974 - 1977
Diagram ref no 23
• Quantity: Set of 4 pieces
• Inner Diameter: 16 mm (designed for 16 mm sway bar)
• Function: Supports and isolates the anti-roll bar from the chassis while allowing controlled movement
• Position: Front suspension — stabilizer bar mounting locations (two per side)
• Symptoms of wear: Squeaking, knocking, excessive body roll, looseness, or sway bar movement
• Benefits: OE-spec material hardness and fit, quieter ride, reduced vibration, restored bar performance, and long-term durability
• Installation: Fit each bushing over the stabilizer bar, seat securely in the bracket cradle, and fasten using the correct factory clamps or straps
Over time, stabilizer (sway) bar bushings are subjected to continuous twisting, compression, and exposure to road debris, heat, and oils. The rubber material gradually hardens, cracks, or deforms, reducing its ability to cushion the stabilizer bar and maintain tension. When this occurs, the bar can move or rattle inside its mounts, leading to reduced cornering stability and increased noise during driving.
Replace this set when:
• You hear clunking or squeaking noises from the front suspension
• The car feels less stable in corners or exhibits excessive body roll
• The bushings show visible cracks, tearing, or softness Performing front suspension repairs or sway bar service
Installing a new set of 4 bushings restores the proper preload and isolation in the stabilizer system — reducing roll, eliminating noise, and bringing back Porsche’s signature steering precision and balance.
Numeri di riferimento correlati
Numeri correlati, sostituiti, riferimenti incrociati o alternativi per il confronto.
91134379202
Il prodotto che stai visualizzando fa riferimento a questi numeri
- Porsche 911 1974-1977 2.7L / 1976-77 3.0 Carrera
- Porsche 911 1978-1983 3.0L / SC
Questo set di bracci oscillanti superiori anteriori OE Match include entrambi i bracci, destro e sinistro, e tutta la bulloneria OEM necessaria per una corretta installazione. Questo kit sostituisce direttamente i bracci trasversali superiori di fabbrica utilizzati sui modelli Porsche Panamera (970.2, 2014-2016).
Adatto a:
Porsche 970.2 Panamera 2014-2016
Diagramma rif. n. 13, 14, 15, 16.
Il set include:
2 × bracci di controllo superiori anteriori OE Match (97034105123 sinistro e destro)
con hardware Porsche originale:
2 × PAF102902 (bulloni di montaggio),
2 × PAF102861 (Dadi autobloccanti)
Ogni braccio è lavorato con precisione da una lega di alluminio forgiato per garantire resistenza e ridurre il peso non sospeso. Sono dotati di boccole in gomma-metallo preinstallate e giunti sferici sigillati, ottimizzati per adattarsi alle caratteristiche di smorzamento e articolazione originali Porsche.
Abbinato ai bulloni originali Porsche PAF102902 e ai dadi autobloccanti PAF102861, questo kit garantisce un fissaggio sicuro, un mantenimento preciso della coppia e una stabilità delle sospensioni a lungo termine, esattamente come previsto da Porsche.
I bracci oscillanti anteriori superiori sono fondamentali per mantenere l'allineamento delle sospensioni e la stabilità in curva. Con il tempo, le boccole si deteriorano e i giunti sferici si allentano, causando un'usura irregolare degli pneumatici, gioco dello sterzo o rumori di battito.
Sostituire questo set completo quando:
• I rumori anteriori si manifestano su dossi o curve
• Il veicolo va alla deriva o l'allineamento esce ripetutamente dalle specifiche
• Le boccole delle sospensioni sono incrinate o si stanno separando
• Esecuzione di una correzione della geometria o di un aggiornamento completo delle sospensioni
L'installazione del set OE Match 97034105123 con bulloni e dadi Porsche originali garantisce che le sospensioni della tua Panamera funzionino con la precisione, il comfort e la sicurezza di fabbrica.
Numeri di riferimento correlati
Numeri correlati, sostituiti, riferimenti incrociati o alternativi per il confronto.
97034105123
Il prodotto che stai visualizzando fa riferimento a questi numeri
- Porsche 970.2 Panamera V6 3.6L 2WD (310Hp) 2014-16
- Porsche 970.2 Panamera 4 V6 3.6L 4WD (310Hp) 2014-16
- Porsche 970.2 Panamera S V6 Turbo 3.0L 2WD (420Hp) 2014-16
- Porsche 970.2 Panamera S V6 Turbo 3.0L 2WD Executive 2014-16
- Porsche 970.2 Panamera 4S V6 Turbo 3.0L 4WD (420Hp) 2014-16
- Porsche 970.2 Panamera 4S V6 Turbo 3.0L 4WD Executive 2014-16
- Porsche 970.2 Panamera GTS V8 4.8L 4WD (440Hp) 2014-16
- Porsche 970.2 Panamera Turbo V8 4.8L (520Hp) 2014-16
- Porsche 970.2 Panamera Turbo V8 Executive 2014-16
- Porsche 970.2 Panamera Turbo S V8 4.8L 2014-16
- Porsche 970.2 Panamera Diesel V6 3.0L (250Hp) 2014-16
- Porsche 970.2 Panamera S E-Hybrid V6 3.0L (416Hp) 2014-16
Questo set completo di bracci oscillanti inferiori anteriori include i bracci trasversali inferiori sinistro e destro (97034105324 + 97034105424) e tutte le boccole, i giunti sferici e l'hardware di montaggio di fabbrica necessari per un'installazione professionale.
Progettato per la Porsche Panamera (serie 970.2), questo kit ripristina la geometria delle sospensioni di serie del veicolo, mantenendo un allineamento preciso di camber, caster e convergenza per una maneggevolezza e un comfort di guida eccezionali. Ogni braccio di controllo è costruito secondo le specifiche Porsche OE. È dotato di boccole in gomma-metallo preinstallate e giunti sferici sigillati, che garantiscono un funzionamento fluido, bassa rumorosità e lunga durata.
Adatto a:
Porsche 970.2 Panamera 2014-2016
Diagramma rif. n. 1 - 10, 19, 21.
La bulloneria di produzione OE fornita, inclusi bulloni, rondelle e dadi autobloccanti, garantisce una perfetta tenuta della coppia e un'affidabilità strutturale sotto carico. Questo kit completo offre un montaggio diretto per il ripristino completo delle sospensioni anteriori.
• Posizione: Assale anteriore – Inferiore sinistro e destro
• Funzione: collega il telaio al portaruota, mantenendo gli angoli di campanatura, incidenza e convergenza
• Vantaggi: geometria con specifiche OE, hardware di installazione completo, guida silenziosa, affidabilità a lungo termine
• Installazione: montaggio diretto; sostituire in coppia; coppia secondo le specifiche Porsche; allineamento delle ruote richiesto dopo il montaggio
I bracci di controllo anteriori inferiori sopportano carichi e articolazioni continui e, col tempo, le boccole si induriscono e i giunti sferici sviluppano gioco, causando rumori metallici, vibrazioni e un cattivo allineamento.
Sostituire questo kit completo quando:
• Il veicolo mostra battiti o vibrazioni anteriori sui dossi
• Gli pneumatici si consumano in modo non uniforme o lo sterzo sembra allentato o instabile
• Le boccole o i giunti sferici mostrano usura o crepe visibili
• Esecuzione di una ricostruzione front-end o di una correzione della geometria
Questo set completo di bracci OE Match fornisce tutto il necessario per un restauro completo ed equilibrato delle sospensioni anteriori della tua Porsche, garantendo la maneggevolezza precisa e il comfort di guida che avevano quando erano nuove.
Numeri di riferimento correlati
Numeri correlati, sostituiti, riferimenti incrociati o alternativi per il confronto.
97034105X24
Il prodotto che stai visualizzando fa riferimento a questi numeri
- Porsche 970.2 Panamera V6 3.6L 2WD (310Hp) 2014-16
- Porsche 970.2 Panamera 4 V6 3.6L 4WD (310Hp) 2014-16
- Porsche 970.2 Panamera S V6 Turbo 3.0L 2WD (420Hp) 2014-16
- Porsche 970.2 Panamera S V6 Turbo 3.0L 2WD Executive 2014-16
- Porsche 970.2 Panamera 4S V6 Turbo 3.0L 4WD (420Hp) 2014-16
- Porsche 970.2 Panamera 4S V6 Turbo 3.0L 4WD Executive 2014-16
- Porsche 970.2 Panamera GTS V8 4.8L 4WD (440Hp) 2014-16
- Porsche 970.2 Panamera Turbo V8 4.8L (520Hp) 2014-16
- Porsche 970.2 Panamera Turbo V8 Executive 2014-16
- Porsche 970.2 Panamera Turbo S V8 4.8L 2014-16
- Porsche 970.2 Panamera Diesel V6 3.0L (250Hp) 2014-16
- Porsche 970.2 Panamera S E-Hybrid V6 3.0L (416Hp) 2014-16
Questo set di 2 pezzi include bracci di controllo superiori anteriori sinistro e destro, completi di tutta la bulloneria necessaria per il montaggio (4 bulloni e 4 dadi) per un'installazione diretta e di qualità pari a quella di fabbrica. Progettati per replicare la geometria delle sospensioni Porsche originali, questi bracci garantiscono un feedback di sterzo preciso, un allineamento della campanatura e una stabilità di guida costante.
Adatto a:
Porsche 970 Panamera fino al 2013
Diagramma rif. n. 13, 14, 15 e 16.
Ideale per la revisione della parte anteriore, la sostituzione di giunti usurati o la correzione dell'allineamento, questo kit completo ripristina l'equilibrio di guida e il comfort di fabbrica del sistema di sospensioni della tua Porsche.
Set braccio oscillante superiore anteriore (2 × 97034105110 - sinistro + destro)
• Hardware incluso: 4 × PAF102861 (dadi autobloccanti), 4 × PAF102902 (bulloni di montaggio)
• Posizione: Assale anteriore – superiore sinistro e destro
• Funzione: mantiene la campanatura e l'incidenza; collega il supporto della ruota al telaio
• Sintomi di usura: rumore sordo, vibrazioni, usura irregolare degli pneumatici, allineamento scadente
• Vantaggi: geometria di qualità OE, design leggero, funzionamento silenzioso, facile installazione
• Installazione: sostituzione diretta; coppia di serraggio secondo le specifiche Porsche; allineamento consigliato in seguito
I bracci di controllo anteriori sono sottoposti a carichi e articolazioni continui, che nel tempo possono causare affaticamento delle boccole, usura dei giunti sferici o deviazione dell'allineamento.
Si consiglia la sostituzione quando:
• Si notano rumori di battito, usura irregolare degli pneumatici o instabilità dello sterzo
• Le boccole delle sospensioni presentano crepe o gioco eccessivo. Eseguire una ricostruzione anteriore o una correzione dell'allineamento
L'installazione del set sostitutivo 97034105110 con hardware nuovo (PAF102861 + PAF102902) garantisce la geometria corretta, il comfort di guida ripristinato e una maneggevolezza sicura e prevedibile, proprio come progettato da Porsche.
Numeri di riferimento correlati
Numeri correlati, sostituiti, riferimenti incrociati o alternativi per il confronto.
97034105110
Il prodotto che stai visualizzando fa riferimento a questi numeri
- Porsche 970.1 Panamera V6 3.6L 2WD 2009-13
- Porsche 970.1 Panamera 4 V6 3.6L 4WD 2009-13
- Porsche 970.1 Panamera S V8 4.8L 2009-13
- Porsche 970.1 Panamera 4S V8 4.8L 2009-13
- Porsche 970.1 Panamera GTS V8 4.8L 2011-13
- Porsche 970.1 Panamera Turbo V8 4.8L 2009-13
- Porsche 970.1 Panamera Turbo S V8 4.8L 2009-13
- Porsche 970.1 Panamera Diesel V6 3.0L 2011-13
- Porsche 970.1 Panamera S Hybrid V6 3.0L 2011-13
Il kit da 10 parti contiene:
- 2 x 95011671501 Boccola forcella di rilascio frizione
- 1 x 95011671004 Albero della forcella
- 2 x 99911341840 Sigillo
- 1 x 99920133901 Cuscinetto ad aghi
- 1 x 99920136501 Cuscinetto ad aghi
- 1 x 95011672500 Copertura
- 1 x 95011671302 Supporto
- 1 x 90007505703 Bullone esagonale
Adatto a:
Porsche 911 1987-89
Porsche 964 1989-94 tutti i modelli
Porsche 993 1994-98 tutti i modelli
Porsche 996 Turbo, GT3
Porsche 997 Turbo, GT3 2005>>
Fare clic su "Ingrandisci" per visualizzare il diagramma.
Diagramma Rif. n. 10, 11, 17, 16, 15, 21, 14, 18.
Numeri di riferimento correlati
Numeri correlati, sostituiti, riferimenti incrociati o alternativi per il confronto.
CLUTCHKIT04.1
Il prodotto che stai visualizzando fa riferimento a questi numeri
- Porsche 911 1987-1989 3.2L G50
- Porsche 964 (911) C2 1989-93
- Porsche 964 (911) C4 1989-93
- Porsche 964 (911) RS 3.6L 1991-93
- Porsche 964 (911) RS 3.8L 1991-93
- Porsche 964 (911) TURBO 3.3L 1991-93
- Porsche 964 (911) TURBO 3.6L 1991-93
- Porsche 993 (911) C2 1994-97
- Porsche 993 (911) C4 1994-97
- Porsche 993 (911) RS 1994-97
- Porsche 993 (911) C2S 1994-97
- Porsche 993 (911) C4S 1994-97
- Porsche 993 (911) TURBO 1994-96
- Porsche 993 (911) GT2 1994-97
- Porsche 993 (911) TURBO S 1994-97
- Porsche 996 TURBO 2000-05
- Porsche 996 GT3 MKI 1999-02
- Porsche 996 GT3 MKII 2003>>
- Porsche 996 GT3 RS 2003-04
- Porsche 997 MK1 TURBO 2007-09
- Porsche 997 MK1 GT3 2007-09
- Porsche 997 MKII GT3 2010-11
- Porsche 997 MKII Turbo 2010-13
- Porsche 997 MKII GT2 RS 2011-13
Ripristina la guida e la sicurezza della tua Porsche Cayenne con il nostro kit di sospensioni
Con il tempo, i giunti sferici del braccio oscillante e del tirante trasversale della tua Porsche Cayenne possono usurarsi, mentre le boccole in gomma possono degradarsi, strapparsi o ossidarsi. Questa usura può causare un consumo irregolare degli pneumatici, rumorosità anteriore e vibrazioni, compromettendo sia le prestazioni che la sicurezza. Il nostro kit di sospensioni ripristina la maneggevolezza e la qualità di guida del tuo veicolo, riportandolo agli standard di fabbrica.
Consiglio professionale: dopo l'installazione si consiglia di controllare l'allineamento delle ruote per garantire prestazioni ottimali.
Adatto a:- Porsche 955 Cayenne 3.2L V6 2003-06
- Porsche 955 Cayenne S 4.5L V8 2003-06
- Porsche 957 Cayenne 3.0L Diesel 2007-10
- Porsche 957 Cayenne 3.6L 2007-10
- Porsche 957 Cayenne S/GTS 4.8L 2007-10
Kit braccio di controllo della sospensione
I bracci di controllo sono un componente fondamentale del sistema di sospensioni del veicolo, in quanto collegano le sospensioni al telaio ausiliario. In genere sono incernierati, consentendo alle sospensioni di muoversi fluidamente sulle irregolarità del fondo stradale e in curva. I veicoli con sospensioni indipendenti spesso presentano più bracci e punti di collegamento per migliorare il comfort di guida e la stabilità.
Con l'usura delle boccole e dei giunti dei bracci oscillanti, si potrebbero notare allentamenti o giochi nelle sospensioni. Mentre alcuni bracci oscillanti consentono la sostituzione di singoli componenti, molti richiedono la sostituzione dell'intero braccio per un corretto funzionamento.
Segnali che indicano la necessità di sostituire il braccio oscillante
- Gioco eccessivo nei giunti delle sospensioni dove i bracci si collegano al telaio ausiliario o al fuso a snodo
- Rumori di cedimento o di tonfo provenienti dalle sospensioni
- Usura irregolare degli pneumatici
- Difficoltà nel raggiungere un corretto allineamento delle ruote
- Vibrazioni o vibrazioni percepite nel volante a velocità autostradale
- Il volante tira o si sposta da un lato all'altro
Numeri di riferimento correlati
Numeri correlati, sostituiti, riferimenti incrociati o alternativi per il confronto.
SUSPENSIONKIT955
Il prodotto che stai visualizzando fa riferimento a questi numeri
- Porsche 955 Cayenne 3.2L V6 2003-06
- Porsche 955 Cayenne S 4.5L V8 2003-06
- Porsche 957 Cayenne 3.0L Diesel 2007-10
- Porsche 957 Cayenne 3.6L 2007-10
- Porsche 957 Cayenne S/GTS 4.8L 2007-10
Adatto a:
Porsche 955 Cayenne 2003-06 (anteriore)
Porsche 957 Cayenne 2007-09 (anteriore)
Porsche 958 Cayenne 2010>> (anteriore)
Tutti i modelli Nessuno Turbo
Numeri di riferimento correlati
Numeri correlati, sostituiti, riferimenti incrociati o alternativi per il confronto.
95534703222
Il prodotto che stai visualizzando fa riferimento a questi numeri
- Porsche 955 Cayenne 3.2L V6 2003-06
- Porsche 955 Cayenne S 4.5L V8 2003-06
- Porsche 957 Cayenne 3.0L Diesel 2007-10
- Porsche 957 Cayenne 3.6L 2007-10
- Porsche 957 Cayenne S/GTS 4.8L 2007-10
- Porsche 958 Cayenne V6 3.0L Diesel 245HP 2010-17
- Porsche 958 Cayenne S V6 3.0L Hybrid 380HP 2010-17
- Porsche 958 Cayenne S V8 4.8L Petrol 400HP 2010-17
- Porsche 958 Cayenne S V8 4.2L Diesel 382HP 2010-17
- Porsche 958 Cayenne GTS V8 4.8L Petrol 400HP 2010-17
Adatto a:
Porsche 955 Cayenne 2003-06 (anteriore)
Porsche 957 Cayenne 2007-09 (anteriore)
Porsche 958 Cayenne 2010>> (anteriore)
Tutti i modelli Nessuno Turbo
Numeri di riferimento correlati
Numeri correlati, sostituiti, riferimenti incrociati o alternativi per il confronto.
95534703222
Il prodotto che stai visualizzando fa riferimento a questi numeri
- Porsche 955 Cayenne 3.2L V6 2003-06
- Porsche 955 Cayenne S 4.5L V8 2003-06
- Porsche 957 Cayenne 3.0L Diesel 2007-10
- Porsche 957 Cayenne 3.6L 2007-10
- Porsche 957 Cayenne S/GTS 4.8L 2007-10
- Porsche 958 Cayenne V6 3.0L Diesel 245HP 2010-17
- Porsche 958 Cayenne S V6 3.0L Hybrid 380HP 2010-17
- Porsche 958 Cayenne S V8 4.8L Petrol 400HP 2010-17
- Porsche 958 Cayenne S V8 4.2L Diesel 382HP 2010-17
- Porsche 958 Cayenne GTS V8 4.8L Petrol 400HP 2010-17
Il kit include
Braccio inferiore x 2
Boccola del braccio anteriore x 2
Boccola del braccio posteriore x 2
Adatto a:
Porsche 924 1979>> in poi
Fare clic su "Ingrandisci" per visualizzare il diagramma delle parti più grandi.
Diagramma Rif. n. 2, 7 e 11
Numeri di riferimento correlati
Numeri correlati, sostituiti, riferimenti incrociati o alternativi per il confronto.
477407153F
Il prodotto che stai visualizzando fa riferimento a questi numeri
- Porsche 924 2.0L 1976-79
Il kit include
Braccio inferiore x 2
Boccola del braccio anteriore x 2
Boccola del braccio posteriore x 2
Adatto a:
Porsche 924 >> Fino al 1978
Fare clic su "Ingrandisci" per visualizzare il diagramma delle parti più grandi.
Diagramma Rif. n. 2, 7 e 11
Numeri di riferimento correlati
Numeri correlati, sostituiti, riferimenti incrociati o alternativi per il confronto.
477407153F
Il prodotto che stai visualizzando fa riferimento a questi numeri
- Porsche 924 2.0L 1976-79
Kit guarnizione testata motore
La guarnizione della testata è un componente fondamentale che sigilla la testata al blocco motore. Svolge diverse funzioni chiave: sigilla la camera di combustione, garantendo una compressione adeguata per prestazioni efficienti del motore; impedisce la miscelazione del liquido di raffreddamento e dell'olio motore sigillando i passaggi del fluido tra la testata e il blocco motore.
Adatto a:
- Porsche 997 MK1 Carrera 2S 3.8L 2005-08
- Porsche 997 MK1 Carrera 4S 3.8L 2005-08
Diagramma di riferimento n. 19 e 20.
Segni di guasto della guarnizione della testata del cilindro
Una guarnizione della testata difettosa può causare gravi problemi al motore. I sintomi più comuni includono:
surriscaldamento del motore
- Bassa compressione del cilindro
- Perdite esterne di refrigerante o olio
- Fumo bianco dallo scarico
- Bolle nel radiatore o nel serbatoio del liquido di raffreddamento
- Olio motore di colore lattiginoso o bianco
Numeri di riferimento correlati
Numeri correlati, sostituiti, riferimenti incrociati o alternativi per il confronto.
99610418059
Il prodotto che stai visualizzando fa riferimento a questi numeri
- Porsche 997 MK1 Carrera 2S 3.8L 2005-08
- Porsche 997 MK1 Carrera 4S 3.8L 2005-08
Kit guarnizione testata motore
La guarnizione della testata è un componente fondamentale che sigilla la testata al blocco motore. Svolge diverse funzioni chiave: sigilla la camera di combustione, garantendo una compressione adeguata per prestazioni efficienti del motore; impedisce la miscelazione del liquido di raffreddamento e dell'olio motore sigillando i passaggi del fluido tra la testata e il blocco motore.
Segni di guasto della guarnizione della testata del cilindro
Una guarnizione della testata difettosa può causare gravi problemi al motore. I sintomi più comuni includono:
- surriscaldamento del motore
- Bassa compressione del cilindro
- Perdite esterne di refrigerante o olio
- Fumo bianco dallo scarico
- Bolle nel radiatore o nel serbatoio del liquido di raffreddamento
- Olio motore di colore lattiginoso o bianco

Adatto a:
- Porsche 996 C2 3.6L 09/01-2005
- Porsche 996 C4 3.6L 09/01-2005
- Porsche 996 C4S 3.6L 09/01-2005
- Porsche Cayman S3.4L 987C 2005-08
- Porsche Boxster 987 S 3.4L 2005-08/08
- Porsche Boxster S987 MKII 3.4L 2009-2012
- Porsche Boxster 981 S/GTS 3.4L 2012-16
Fare clic su "Ingrandisci" per il diagramma delle parti di grandi dimensioni
Diagramma rif. n. 19 e 20.
Numeri di riferimento correlati
Numeri correlati, sostituiti, riferimenti incrociati o alternativi per il confronto.
99610418059
Il prodotto che stai visualizzando fa riferimento a questi numeri
- Porsche Boxster 987 S 3.2/3.4L 2005-08/08
- Porsche Boxster S 987 MKII 3.4L 2009-2012
- Porsche Boxster 981 S / GTS 3.4L 2012-16
- Porsche 996 C2 3.6L 09/01-2005
- Porsche 996 C4 3.6L 09/01-2005
- Porsche 996 C4S 3.6L 09/01-2005
- Porsche Cayman S 3.4L 987C 2005-08
SET DI 2 - (91434705700 / 91434705701 / 91434705702) - sostituisce la boccola di articolazione originale utilizzata nei sistemi sterzanti Porsche 911 e 914. Questi giunti collegano la cremagliera dello sterzo ai tiranti esterni, consentendo un'articolazione fluida e controllata, mantenendo al contempo una geometria di sterzata precisa e la stabilità.
Adatto a:
Porsche 911 1965 - 1989 (non Turbo)
Porsche 914 1970 - 1976
Diagramma Rif. n. 3.
• Posizione: estremità interne di entrambi i tiranti (sinistro e destro), fissati alla cremagliera dello sterzo
• Funzione: trasmette il movimento dello sterzo dalla cremagliera ai tiranti, garantendo una risposta precisa delle ruote anteriori
• Installazione: sostituzione diretta – si adatta al gruppo barra di accoppiamento e barra di accoppiamento originale
Con il passare del tempo, i giunti o le boccole dei tiranti interni possono usurarsi, causando gioco dello sterzo, vibrazioni o deviazioni dell'allineamento.
Sostituisci quando noti:
• Sterzo allentato o rumoroso
• Usura irregolare degli pneumatici Vibrazione o "sbandamento" a velocità
• Movimento eccessivo durante l'ispezione delle estremità interne dei tiranti
L'installazione di nuovi giunti interni ripristina la precisione dello sterzo, il corretto allineamento e la maneggevolezza reattiva che ci si aspetta da una Porsche.
Numeri di riferimento correlati
Numeri correlati, sostituiti, riferimenti incrociati o alternativi per il confronto.
91434705702
Il prodotto che stai visualizzando fa riferimento a questi numeri
- Porsche 911 1965-1968 2.0L / 912 SWB (F)
- Porsche 911 1968-1973 2.2L / 2.4L / 2.7L RS LWB (F)
- Porsche 911 1974-1977 2.7L / 1976-77 3.0 Carrera
- Porsche 911 1978-1983 3.0L / SC
- Porsche 911 1984-1986 3.2L
- Porsche 911 1987-1989 3.2L G50
- Porsche 914 (1970-1976)
Adatto a:
Porsche 911 1965 - 1989 (non Turbo)
Porsche 914 1970 - 1976
Schema rif. n. 9
Progettata con bracci in acciaio ad alta resistenza e geometria del foro lavorata con precisione, la versione OE Match replica le dimensioni originali Porsche, gli accoppiamenti scanalati o a linguetta e la durata. Garantisce una risposta dello sterzo precisa e ripristina un accoppiamento sicuro e senza gioco tra cremagliera e barra.
• Posizione: all'estremità del tirante o del collegamento della cremagliera dello sterzo, collegamento tramite giunto sferico o perno.
• Funzione: mantiene in posizione l'estremità del tirante o il giunto, consentendo l'articolazione e sterzando in modo sicuro il movimento del collegamento.
• Sintomi di guasto: gioco dello sterzo, allentamento, battito, usura irregolare degli pneumatici
• Vantaggi: ripristina la sensazione di sterzo stretto, montaggio OE, elevata resistenza e geometria accurata
• Installazione: sostituzione diretta; installare con nuovi elementi di fissaggio e verificare l'allineamento
Nel tempo, la forcella originale del giunto del tirante sterzo potrebbe usurarsi sulle superfici di articolazione, allungarsi o subire affaticamento del metallo, causando gioco dello sterzo, disallineamento o battito sotto carico. Sostituisci questa forcella durante la sostituzione della cremagliera dello sterzo o del tirante sterzo, quando rilevi gioco laterale o allentamento, o come parte di una revisione completa del sistema di sterzo per ripristinare una risposta dello sterzo precisa e sicura.
Numeri di riferimento correlati
Numeri correlati, sostituiti, riferimenti incrociati o alternativi per il confronto.
90134731504
Il prodotto che stai visualizzando fa riferimento a questi numeri
- Porsche 911 1965-1968 2.0L / 912 SWB (F)
- Porsche 911 1968-1973 2.2L / 2.4L / 2.7L RS LWB (F)
- Porsche 911 1974-1977 2.7L / 1976-77 3.0 Carrera
- Porsche 911 1978-1983 3.0L / SC
- Porsche 911 1984-1986 3.2L
- Porsche 911 1987-1989 3.2L G50
- Porsche 914 (1970-1976)