在此输入您的增值税号,然后单击验证:
您的详细信息已经过验证。增值税号注册至:
,
。
现在,您的订单的增值税税率为零。我们保留在您提出订单请求后验证这些详细信息的权利,并在需要时恢复增值税。
您的增值税详细信息无法识别或无效。您的增值税号必须与上面指定的帐单国家/地区相匹配。当前指定为 。您无需输入增值税号的国家/地区代码部分,因为已在上面的帐单地址详细信息中选择了该部分。
增值税号查询服务目前已离线。请在下面的评论或特殊说明字段中提供您的增值税详细信息,我们将在您提出订单请求后应用增值税折扣。
OE 匹配
OE Match是一个提供种类齐全的保时捷零部件的品牌,产品涵盖垫片、悬挂硬件、发动机部件和内饰件等。目前已收录超过 6,700 个零件编号和超过 11,800 个原厂交叉参考编号,并且还在不断开发新的产品线。
OE Match目前有超过100种新产品正处于工程研发阶段,这些产品将经过严格的质量控制并添加到其产品目录中。其使命是通过提供种类繁多的零部件,解决不同世代保时捷车型可能出现的各种问题,从而确保所有保时捷车辆都能正常行驶。
后减震器衬套(下部)是一款高品质的悬架安装衬套,旨在恢复兼容保时捷车型(通常为 Cayenne 955/957 平台系列)后减震器下部安装点的正确安装和隔离性能。该衬套位于减震器及其下部安装支架之间,提供缓冲界面,可减少振动并防止悬架运动过程中金属与金属的直接接触。
已售出。
每辆车需要2辆。
适用:
- 保时捷 955 卡宴 3.2L V6 2003-06
- 保时捷 955 Cayenne S 4.5L V8 2003-06
- 保时捷 957 Cayenne 3.0L 柴油版 2007-10
- 保时捷 957 卡宴 3.6L 2007-10
适用于图示参考编号 17
下减震器衬套在维持乘坐舒适性和稳定的阻尼性能方面发挥着重要作用,它能确保减震器在行程中平稳运行,同时保持安装点的牢固性和正确对准。随着时间的推移,衬套材料会因老化、高温和反复的载荷循环而磨损、硬化、开裂或变形。磨损的衬套可能导致车辆在颠簸路面行驶时发出敲击声、振动增大以及悬架控制性能下降。
本产品的功能:
- 吸收后悬架的振动和冲击载荷
- 为减震器下端提供一个安静的安装点
- 有助于保持减震器的正确对准和运动
- 降低传递到车厢内的噪音、不平顺性和振动(NVH)
- 允许在保持阻尼性能的同时,控制悬架行程。
后减震器下衬套磨损或失效的症状:
噪音和舒适度问题
- 车辆驶过颠簸路面时,后部发出咔嗒声、敲击声或砰砰声
- 车厢内振动或颠簸感加剧
- 后悬挂区域发出嘎嘎声
操控性和乘坐舒适性
- 减震器响应不良
- 感觉后悬架“松动”或难以控制
- 平稳吸收冲击的能力降低
视觉和物理标志
- 衬套材料出现裂纹、裂缝或撕裂
- 橡胶/聚氨酯出现可见的变形或硬化
- 检查时发现减震器下支座间隙过大。
为什么更换很重要:
- 新型衬套比旧的、硬化的衬套能更好地吸收和隔离冲击力,从而带来更平稳、更安静的行驶体验。
- 正确安装的减震器能够更一致地响应路面输入,从而增强加速、制动和转弯时的稳定性。
- 更换磨损的下减震器衬套可以消除因隔振器老化而导致金属直接接触时产生的咔嗒声和振动。
- 衬套磨损导致的过度运动会对减震器本体、支架和连杆部件造成额外的压力,从而缩短其使用寿命。
相关参考编号
相关编号、被取代编号、交叉引用编号或替代编号,供比较之用。
95533305100A
您正在查看的产品与这些编号存在交叉引用关系
- Porsche 955 Cayenne 3.2L V6 2003-06
- Porsche 955 Cayenne S 4.5L V8 2003-06
- Porsche 957 Cayenne 3.0L Diesel 2007-10
- Porsche 957 Cayenne 3.6L 2007-10
后稳定杆衬套(23.70毫米)是一款高品质悬挂衬套,专为牢固安装和支撑兼容的保时捷车型(通常为保时捷卡宴平台)的后防倾杆(稳定杆)而设计。该衬套可在稳定杆与底盘连接处起到缓冲作用,使其运动可控,同时减少振动和路噪。
单半出售 - 每辆车需要 4 个。
适用:
- 保时捷 955 Cayenne S 4.5L V8 2003-06
- 保时捷 955 Cayenne Turbo 4.5L 2003-06
- 保时捷 955 Cayenne Turbo S 4.5L 2006款
- 保时捷 957 Cayenne S/GTS 4.8L 2007-10
- 保时捷 957 Cayenne Turbo / Turbo S 4.8L 2007-10
- 保时捷 958 卡宴 V6 3.6L 汽油 300Hp 2010-17
- 保时捷 958 Cayenne V6 3.0L 柴油发动机 245马力 2010-17
- 保时捷 958 Cayenne S V6 3.0L 混合动力 380马力 2010-17
- 保时捷 958 Cayenne S V8 4.8L 汽油 400马力 2010-17
- 保时捷 958 Cayenne S V8 4.2L 柴油发动机 382马力 2010-17
- 保时捷 958 Cayenne GTS V8 4.8L 汽油发动机 400马力 2010-17
- 保时捷 958 Cayenne Turbo V8 4.8L 汽油 500马力 2010-17
- 保时捷 958 Cayenne Turbo S V8 4.8L 汽油发动机 550马力 2010-17
图示编号 2
稳定杆在减少车辆转弯时的侧倾、提升整体稳定性方面发挥着重要作用。随着时间的推移,稳定杆衬套会因老化、高温和悬架的持续运动而磨损、硬化或开裂。磨损的衬套会导致车辆在颠簸路面行驶时发出敲击声、侧倾加剧以及操控精度下降。
本产品的功能:
- 通过将后稳定杆安装到底盘上来支撑它。
- 减少过弯时的车身侧倾,提高稳定性
- 允许控制杆的运动,同时抑制振动;
- 隔离路面噪音和不平顺感,防止震动传入车厢;
- 有助于保持后悬架几何结构。
稳定杆衬套磨损或失效的症状:
操控性和稳定性问题
- 过弯时车身侧倾过大
- 高速行驶时后部稳定性降低
- 转向感觉不够精准
噪音和振动
- 后悬架发出咔嗒声、敲击声或嘎嘎声
- 车辆驶过颠簸或不平整路面时产生的噪音
磨损模式
- 相关悬架部件加速磨损
- 稳定杆安装点的间隙或移动
视觉标志
- 橡胶衬套出现裂纹、裂缝或变形
- 衬套看起来扁平或已损坏
为什么更换很重要:
- 健康的衬套能使稳定杆保持紧固和灵敏,减少车身倾斜,提高转弯稳定性。
- 新型衬套比老旧硬化的衬套更能有效地吸收振动和隔离噪音,从而带来更平稳的行驶体验。
- 更换磨损的衬套可以消除因稳定杆安装座间隙过大而引起的咔嗒声和嘎嘎声。
- 适当的防倾杆支撑通过控制力的分布来减少控制臂、连杆和减震器所承受的压力。
相关参考编号
相关编号、被取代编号、交叉引用编号或替代编号,供比较之用。
95533379250
您正在查看的产品与这些编号存在交叉引用关系
- Porsche 955 Cayenne S 4.5L V8 2003-06
- Porsche 955 Cayenne Turbo 4.5L 2003-06
- Porsche 955 Cayenne Turbo S 4.5L 2006>>
- Porsche 957 Cayenne S/GTS 4.8L 2007-10
- Porsche 957 Cayenne Turbo / Turbo S 4.8L 2007-10
- Porsche 958 Cayenne V6 3.6L Petrol 300Hp 2010-17
- Porsche 958 Cayenne V6 3.0L Diesel 245HP 2010-17
- Porsche 958 Cayenne S V6 3.0L Hybrid 380HP 2010-17
- Porsche 958 Cayenne S V8 4.8L Petrol 400HP 2010-17
- Porsche 958 Cayenne S V8 4.2L Diesel 382HP 2010-17
- Porsche 958 Cayenne GTS V8 4.8L Petrol 400HP 2010-17
- Porsche 958 Cayenne Turbo V8 4.8L Petrol 500HP 2010-17
- Porsche 958 Cayenne Turbo S V8 4.8L Petrol 550HP 2010-17
后下横拉杆衬套 – 前部(内/外)是一款高品质悬架衬套,旨在恢复兼容保时捷车型上后下横拉杆(束角拉杆)的正确安装和可控运动。该衬套安装在后下横拉杆的前部安装位置,用于内外连接点,以保持正确的悬架几何结构和稳定的后轮定位。
已售出。
每辆车需要4辆。
适用:
- 保时捷 95B.1 Macan 汽油版 2.0L 237马力 2014-18
- 保时捷 95B.1 Macan S 汽油 3.0L V6 340马力 2014-18
- 保时捷 95B.1 Macan S 柴油版 3.0L V6 258马力 2014-18
- 保时捷 95B.1 Macan GTS 汽油 3.0L V6 360Bhp 2014-18
- 保时捷 95B.1 Macan Turbo 3.6L V6 400Bhp 2014-18
- 保时捷 95B.2 Macan 汽油版 2.0L 245马力 2019-2021
- 保时捷 95B.2 Macan S 汽油 3.0L V6 354Bhp 2019-21
- 保时捷 95B.2 Macan GTS 汽油 2.9L V6 380Bhp 2019-21
- 保时捷 95B.2 Macan Turbo 2.9L V6 440Bhp 2019-21
- 保时捷 95B.3 Macan 汽油版 2.0L 265马力 2022款
- 保时捷 95B.3 Macan T 汽油版 2.0L 265马力 2022款
- 保时捷 95B.3 Macan S 汽油 2.9L V6 380Bhp 2022>>
- 保时捷 95B.3 Macan GTS 汽油 2.9L V6 440Bhp 2022>>
适用于图示参考编号 11
横拉杆衬套在控制后轮束角方面起着关键作用,有助于保持车辆在制动、加速和转弯时的稳定性。随着时间的推移,衬套材料会因老化、高温和悬架的持续运动而磨损、开裂或软化。磨损的衬套可能导致后轮不稳定、异响、振动以及因负载下定位偏移而引起的轮胎磨损不均。
本产品的功能:
- 吸收后悬架带来的路面震动和冲击
- 保持悬架定位和后轮束角控制
- 提供一种灵活的安装方式,可实现可控运动
- 隔绝车厢内的噪音和震动,
- 有助于确保车辆在负载下(转弯、制动)操控性能的一致性。
衬套磨损或失效的症状:
操控性和稳定性变化
- 高速行驶时后轮摆动或感觉不稳定
- 刹车时向一侧偏移
- 转向反应松散、不精准
- 转向响应差或过颠簸路面时感觉不一致
噪音和振动
- 加速、刹车或转弯时,后悬架发出咔嗒声、敲击声或吱吱声
- 传递到车厢内的振动加剧。
- 后悬架部件发出嘎嘎声
磨损模式
- 后轮胎磨损不均匀或加速。
- 对准出现偏差或无法保持在规格范围内
- 四轮定位检查期间的后轮外倾角变化
体征
- 橡胶材料出现可见的裂纹、裂缝或变形
- 用手操作时,拉杆晃动幅度过大。
- 驾驶时的噪音/右侧偏向
为什么更换很重要:
- 这些衬套有助于保持精确的后轮定位,特别是后轮束角设置,这对于稳定的操控性和轮胎寿命至关重要。
- 磨损的衬套会在悬架中产生间隙,导致操控松散,转弯、加速和制动时反应不可预测。
- 新衬套比旧的、硬化的衬套更能有效地吸收振动和噪音。
- 悬挂系统控制不力会加速轮胎、轴承和接头等其他部件的磨损。
相关参考编号
相关编号、被取代编号、交叉引用编号或替代编号,供比较之用。
PAB501529BA
您正在查看的产品与这些编号存在交叉引用关系
- Porsche 95B.1 Macan Petrol 2.0L 237Bhp 2014-18
- Porsche 95B.1 Macan S Petrol 3.0L V6 340Bhp 2014-18
- Porsche 95B.1 Macan S Diesel 3.0L V6 258Bhp 2014-18
- Porsche 95B.1 Macan GTS Petrol 3.0L V6 360Bhp 2014-18
- Porsche 95B.1 Macan Turbo 3.6L V6 400Bhp 2014-18
- Porsche 95B.2 Macan Petrol 2.0L 245Bhp 2019-21
- Porsche 95B.2 Macan S Petrol 3.0L V6 354Bhp 2019-21
- Porsche 95B.2 Macan GTS Petrol 2.9L V6 380Bhp 2019-21
- Porsche 95B.2 Macan Turbo 2.9L V6 440Bhp 2019-21
- Porsche 95B.3 Macan Petrol 2.0L 265Bhp 2022>>
- Porsche 95B.3 Macan T Petrol 2.0L 265Bhp 2022>>
- Porsche 95B.3 Macan S Petrol 2.9L V6 380Bhp 2022>>
- Porsche 95B.3 Macan GTS Petrol 2.9L V6 440Bhp 2022>>
这款原厂配套的后窗雨刮臂是一款高品质的替换零件,其尺寸、功能和耐用性均与原装保时捷后雨刮臂完全匹配。它是专为特定保时捷车型后挡风玻璃雨刮系统设计的,可直接替代原厂部件。
适用:
保时捷 95B.1 Macan 2014 - 2018
保时捷 95B.2 Macan 2019 - 2021
2021款保时捷95B.3 Macan >>
保时捷 970.1 Panamera 2009 - 2013
保时捷 970.2 Panamera 2014 - 2016
保时捷 971.1 Panamera 2017 - 2021 运动轿车 (K8S)
保时捷 971.2 Panamera 2021 - 2023 运动轿车 (K8S)
图示编号 3
后雨刮臂支撑后雨刮片,使其能够刮擦后窗,清除水、雪、污垢和碎屑。这一动作有助于保持清晰的后方视野,尤其是在雨雪天气或行驶于湿滑泥泞路面之后。原厂配套的雨刮臂与后雨刮电机完美配合,确保在整个刮擦过程中保持稳定的接触压力和精准的运动。
功能:
•将后雨刮片固定到雨刮机构上
•将后雨刮电机的运动传递到雨刮片
•保持刀片与后挡风玻璃表面持续接触
•提供流畅可靠的擦拭效果
•通过确保均匀的压力和运动,延长刀片寿命
后雨刮臂正常运作对于保持后方视野和安全至关重要,尤其是在像SUV、掀背车和溜背车这样后窗面积较大的车辆上。
随着时间的推移,后雨刮臂可能会磨损、腐蚀或失去张力,从而影响雨刮片与后方视野的接触,降低雨天行车时的视野。磨损或弯曲的雨刮臂会导致刮水不干净、漏刮或刮水不彻底。更换为高质量的原厂配套雨刮臂可以恢复雨刮片的正常接触,提高后方视野,从而保障行车安全。
何时更换。如果出现以下情况,应升级或更换原厂匹配的后雨刮臂:
•机械臂无法将刀片牢牢地压在玻璃上。
•擦拭操作出现跳擦、条纹擦拭或遗漏区域
•臂杆弯曲、腐蚀或枢轴处松动。
•您已更换刀片,但性能并未改善
•后方视野问题反复出现,尤其是在雨天或路面溅水的情况下。
相关参考编号
相关编号、被取代编号、交叉引用编号或替代编号,供比较之用。
971955707A
您正在查看的产品与这些编号存在交叉引用关系
- Porsche 970.1 Panamera V6 3.6L 2WD 2009-13
- Porsche 970.1 Panamera 4 V6 3.6L 4WD 2009-13
- Porsche 970.1 Panamera S V8 4.8L 2009-13
- Porsche 970.1 Panamera 4S V8 4.8L 2009-13
- Porsche 970.1 Panamera GTS V8 4.8L 2011-13
- Porsche 970.1 Panamera Turbo V8 4.8L 2009-13
- Porsche 970.1 Panamera Turbo S V8 4.8L 2009-13
- Porsche 970.1 Panamera Diesel V6 3.0L 2011-13
- Porsche 970.1 Panamera S Hybrid V6 3.0L 2011-13
- Porsche 970.2 Panamera V6 3.6L 2WD (310Hp) 2014-16
- Porsche 970.2 Panamera 4 V6 3.6L 4WD (310Hp) 2014-16
- Porsche 970.2 Panamera S V6 Turbo 3.0L 2WD (420Hp) 2014-16
- Porsche 970.2 Panamera S V6 Turbo 3.0L 2WD Executive 2014-16
- Porsche 970.2 Panamera 4S V6 Turbo 3.0L 4WD (420Hp) 2014-16
- Porsche 970.2 Panamera 4S V6 Turbo 3.0L 4WD Executive 2014-16
- Porsche 970.2 Panamera GTS V8 4.8L 4WD (440Hp) 2014-16
- Porsche 970.2 Panamera Turbo V8 4.8L (520Hp) 2014-16
- Porsche 970.2 Panamera Turbo V8 Executive 2014-16
- Porsche 970.2 Panamera Turbo S V8 4.8L 2014-16
- Porsche 970.2 Panamera Diesel V6 3.0L (250Hp) 2014-16
- Porsche 970.2 Panamera S E-Hybrid V6 3.0L (416Hp) 2014-16
- Porsche 971.1 Panamera V6 3.0L 2WD (330 Hp) 2017-20
- Porsche 971.1 Panamera 4 V6 3.0L 4WD (330 Hp) 2017-20
- Porsche 971.1 Panamera 4 V6 3.0L 4WD Executive 2017-20
- Porsche 971.1 Panamera 4 3.0L Turbocharged V6 Sport Turismo 2017-20
- Porsche 971.1 Panamera 4S V6 3.0L 4WD (440 Hp) 2017-20
- Porsche 971.1 Panamera 4S V6 3.0L 4WD Executive 2017-20
- Porsche 971.1 Panamera 4S 2.9L Twin-Turbo V6 Sport Turismo 2017-20
- Porsche 971.1 Panamera 4S Diesel V8 4.0L 4WD (422 Hp) 2017-18
- Porsche 971.1 Panamera 4S Diesel 4.0L Twin-Turbo V8 Sport Turismo 2017-18
- Porsche 971.1 Panamera 4 E-Hybrid V6 2.9L 4WD 2017-20
- Porsche 971.1 Panamera 4 E-Hybrid V6 2.9L 4WD Executive 2017-20
- Porsche 971.1 Panamera 4 E-Hybrid 2.9L Twin-Turbo V6 Sport Turismo 2017-20
- Porsche 971.1 Panamera Turbo V8 4.0L 4WD (550 Hp) 2017-20
- Porsche 971.1 Panamera Turbo V8 4.0L 4WD Executive 2017-20
- Porsche 971.1 Panamera Turbo 4.0L Twin-Turbo V8 Sport Turismo 2017-20
- Porsche 971.1 Panamera Turbo S E-Hybrid V8 4.0L 4WD 2017-20
- Porsche 971.1 Panamera Turbo S E-Hybrid V8 4.0L 4WD Executive 2017-20
- Porsche 971.2 Panamera 2.9L V6 2021-23
- Porsche 971.2 Panamera 4 2.9L V6 2021-23
- Porsche 971.2 Panamera 4 Sport Turismo 2.9L V6 2021-23
- Porsche 971.2 Panamera 4S 2.9L V6 2021-23
- Porsche 971.2 Panamera 4S Sport Turismo 2.9L V6 2021-23
- Porsche 971.2 Panamera 4 E-Hybrid 2.9L V6 2021-23
- Porsche 971.2 Panamera 4 E-Hybrid Sport Turismo 2.9L V6 2021-23
- Porsche 971.2 Panamera 4S E-Hybrid 2.9L V6 2021-23
- Porsche 971.2 Panamera 4S E-Hybrid Sport Turismo 2.9L V6 2021-23
- Porsche 971.2 Panamera GTS 4.0L V8 2021-23
- Porsche 971.2 Panamera GTS Sport Turismo 4.0L V8 2021-23
- Porsche 971.2 Panamera Turbo S 4.0L V8 2021-23
- Porsche 971.2 Panamera Turbo S Sport Turismo 4.0L V8 2021-23
- Porsche 971.2 Panamera Turbo S E-Hybrid 4.0L V8 2021-23
- Porsche 971.2 Panamera Turbo S E-Hybrid Sport Turismo 4.0L V8 2021-23
- Porsche 95B.1 Macan Petrol 2.0L 237Bhp 2014-18
- Porsche 95B.1 Macan S Petrol 3.0L V6 340Bhp 2014-18
- Porsche 95B.1 Macan S Diesel 3.0L V6 258Bhp 2014-18
- Porsche 95B.1 Macan GTS Petrol 3.0L V6 360Bhp 2014-18
- Porsche 95B.1 Macan Turbo 3.6L V6 400Bhp 2014-18
- Porsche 95B.2 Macan Petrol 2.0L 245Bhp 2019-21
- Porsche 95B.2 Macan S Petrol 3.0L V6 354Bhp 2019-21
- Porsche 95B.2 Macan GTS Petrol 2.9L V6 380Bhp 2019-21
- Porsche 95B.2 Macan Turbo 2.9L V6 440Bhp 2019-21
- Porsche 95B.3 Macan Petrol 2.0L 265Bhp 2022>>
- Porsche 95B.3 Macan T Petrol 2.0L 265Bhp 2022>>
- Porsche 95B.3 Macan S Petrol 2.9L V6 380Bhp 2022>>
- Porsche 95B.3 Macan GTS Petrol 2.9L V6 440Bhp 2022>>
后下控制臂衬套(REAR)是一款高品质悬架衬套,旨在恢复兼容保时捷车型后下控制臂的正确安装和可控运动。该衬套位于控制臂和底盘/副车架之间,起到柔性连接的作用,吸收路面振动,同时使悬架在制动、加速和转弯等载荷下平稳运动。
已售出。
每辆车需要2辆。
适用:
- 保时捷 95B.1 Macan 汽油版 2.0L 237马力 2014-18
- 保时捷 95B.1 Macan S 汽油 3.0L V6 340马力 2014-18
- 保时捷 95B.1 Macan S 柴油版 3.0L V6 258马力 2014-18
- 保时捷 95B.1 Macan GTS 汽油 3.0L V6 360Bhp 2014-18
- 保时捷 95B.1 Macan Turbo 3.6L V6 400Bhp 2014-18
- 保时捷 95B.2 Macan 汽油版 2.0L 245马力 2019-2021
- 保时捷 95B.2 Macan S 汽油 3.0L V6 354Bhp 2019-21
- 保时捷 95B.2 Macan GTS 汽油 2.9L V6 380Bhp 2019-21
- 保时捷 95B.2 Macan Turbo 2.9L V6 440Bhp 2019-21
适用于图示参考编号 7
随着时间的推移,悬架衬套会因老化、高温、道路污染和反复弯曲而损坏。磨损的后下控制臂衬套会导致异响、操控不稳定、轮胎磨损不均以及难以保持正确的车轮定位。更换衬套有助于将悬架几何结构恢复到出厂状态,从而提高舒适性、稳定性以及驾驶信心。
本产品的功能:
- 用作后下控制臂和副车架之间的枢轴点
- 吸收震动和路面冲击,带来更平稳的驾乘体验
- 保持正确的悬架几何形状和对准
- 有助于控制负载下的车轮运动(加速、制动、转弯)
- 降低传递到车厢的噪音、震动和振动
后下控制臂衬套磨损或失效的症状:
噪音和振动
- 车辆行驶过
- 颠簸路面时发出咔嗒声、吱嘎声或撞击声
- ;车辆地板或后部出现震动
操控性和稳定性问题
- 后轮跑偏或不稳定;
- 转弯响应差;
- 刹车时车辆跑偏或不平衡
磨损和对准问题
- 轮胎磨损不均匀或加速。
- 难以保持车轮定位
- 高速行驶时后轮感觉“漂浮”。
视觉/物理标志
- 橡胶材料出现裂纹、裂缝或可见的劣化
- 推/拉时衬套的间隙或位移
为什么更换很重要:
- 磨损的衬套会导致悬架不受控制地移动,从而降低稳定性、转向感觉和驾驶员信心——尤其是在转弯或突然变道时。
- 合适的衬套有助于在负载下保持车轮定位,减少轮胎磨损不均,延长轮胎寿命。
- 新型衬套能更有效地吸收冲击和振动,减少传递到车厢内的颠簸和噪音。
- 控制不必要的运动有助于防止控制臂、球头接头和其他悬架部件过早磨损。
相关参考编号
相关编号、被取代编号、交叉引用编号或替代编号,供比较之用。
8R0505311FR
您正在查看的产品与这些编号存在交叉引用关系
- Porsche 95B.1 Macan Petrol 2.0L 237Bhp 2014-18
- Porsche 95B.1 Macan S Petrol 3.0L V6 340Bhp 2014-18
- Porsche 95B.1 Macan S Diesel 3.0L V6 258Bhp 2014-18
- Porsche 95B.1 Macan GTS Petrol 3.0L V6 360Bhp 2014-18
- Porsche 95B.1 Macan Turbo 3.6L V6 400Bhp 2014-18
- Porsche 95B.2 Macan Petrol 2.0L 245Bhp 2019-21
- Porsche 95B.2 Macan S Petrol 3.0L V6 354Bhp 2019-21
- Porsche 95B.2 Macan GTS Petrol 2.9L V6 380Bhp 2019-21
- Porsche 95B.2 Macan Turbo 2.9L V6 440Bhp 2019-21
后下控制臂衬套(前部)是一款高品质悬架衬套,旨在恢复兼容保时捷车型后下控制臂的正确安装和可控运动。该衬套位于控制臂和底盘/副车架之间,起到柔性连接的作用,吸收路面振动,同时使悬架在制动、加速和转弯等载荷下平稳运动。
已售出。
每辆车需要2辆。
适用:
- 保时捷 95B.1 Macan 汽油版 2.0L 237马力 2014-18
- 保时捷 95B.1 Macan S 汽油 3.0L V6 340马力 2014-18
- 保时捷 95B.1 Macan S 柴油版 3.0L V6 258马力 2014-18
- 保时捷 95B.1 Macan GTS 汽油 3.0L V6 360Bhp 2014-18
- 保时捷 95B.1 Macan Turbo 3.6L V6 400Bhp 2014-18
- 保时捷 95B.2 Macan 汽油版 2.0L 245马力 2019-2021
- 保时捷 95B.2 Macan S 汽油 3.0L V6 354Bhp 2019-21
- 保时捷 95B.2 Macan GTS 汽油 2.9L V6 380Bhp 2019-21
- 保时捷 95B.2 Macan Turbo 2.9L V6 440Bhp 2019-21
适用于图示参考编号 7
随着时间的推移,悬架衬套会因老化、高温、道路污染和反复弯曲而损坏。磨损的后下控制臂衬套会导致异响、操控不稳定、轮胎磨损不均以及难以保持正确的车轮定位。更换衬套有助于将悬架几何结构恢复到出厂状态,从而提高舒适性、稳定性以及驾驶信心。
本产品的功能:
- 用作后下控制臂和副车架之间的枢轴点
- 吸收震动和路面冲击,带来更平稳的驾乘体验
- 保持正确的悬架几何形状和对准
- 有助于控制负载下的车轮运动(加速、制动、转弯)
- 降低传递到车厢的噪音、震动和振动
后下控制臂衬套磨损或失效的症状:
噪音和振动
- 车辆行驶过
- 颠簸路面时发出咔嗒声、吱嘎声或撞击声
- ;车辆地板或后部出现震动
操控性和稳定性问题
- 后轮跑偏或不稳定;
- 转弯响应差;
- 刹车时车辆跑偏或不平衡
磨损和对准问题
- 轮胎磨损不均匀或加速。
- 难以保持车轮定位
- 高速行驶时后轮感觉“漂浮”。
视觉/物理标志
- 橡胶材料出现裂纹、裂缝或可见的劣化
- 推/拉时衬套的间隙或位移
为什么更换很重要:
- 磨损的衬套会导致悬架不受控制地移动,从而降低稳定性、转向感觉和驾驶员信心——尤其是在转弯或突然变道时。
- 合适的衬套有助于在负载下保持车轮定位,减少轮胎磨损不均,延长轮胎寿命。
- 新型衬套能更有效地吸收冲击和振动,减少传递到车厢内的颠簸和噪音。
- 控制不必要的运动有助于防止控制臂、球头接头和其他悬架部件过早磨损。
相关参考编号
相关编号、被取代编号、交叉引用编号或替代编号,供比较之用。
8R0505311FF
您正在查看的产品与这些编号存在交叉引用关系
- Porsche 95B.1 Macan Petrol 2.0L 237Bhp 2014-18
- Porsche 95B.1 Macan S Petrol 3.0L V6 340Bhp 2014-18
- Porsche 95B.1 Macan S Diesel 3.0L V6 258Bhp 2014-18
- Porsche 95B.1 Macan GTS Petrol 3.0L V6 360Bhp 2014-18
- Porsche 95B.1 Macan Turbo 3.6L V6 400Bhp 2014-18
- Porsche 95B.2 Macan Petrol 2.0L 245Bhp 2019-21
- Porsche 95B.2 Macan S Petrol 3.0L V6 354Bhp 2019-21
- Porsche 95B.2 Macan GTS Petrol 2.9L V6 380Bhp 2019-21
- Porsche 95B.2 Macan Turbo 2.9L V6 440Bhp 2019-21
OE Match 发动机机油热交换器(有时称为机油冷却器或机油冷却液热交换器)是一种精密设计的冷却组件,旨在通过在发动机机油回路和发动机冷却液之间传递热量来帮助调节发动机机油温度。
适用:
保时捷 958 卡宴 V6 3.6L 2015 - 2018
保时捷 958 Cayenne S / GTS / TURBBO 4.8L 2011- 2018
保时捷 970 Panamera V6 3.6L 2010 - 2016
保时捷 970 Panamera S / GTS / TURBO 4.8L 2011 - 2016
图示编号 5、6、7
发动机机油热交换器利用发动机冷却液的流动来带走机油中的多余热量,从而实现对发动机机油的热管理。这有助于:
•在发动机正常和高负荷运转期间保持稳定的机油温度
•减少过热引起的油品劣化
•保持油品粘度稳定,以实现有效润滑
•提高发动机部件的长期使用寿命。
热交换器通过将机油中的热量散发到冷却液中,有助于防止机油温度过高——这在高负荷、高环境温度或激烈驾驶条件下尤为重要。
功能:
•将循环发动机油中的热量传递给冷却液
•维持最佳油温,以保持润滑性能
•防止机油过热,从而避免加速磨损
•作为发动机冷却和润滑系统的一个组成部分发挥作用。
如果没有正常工作的机油热交换器,发动机机油的温度可能会高于理想温度,从而增加机油寿命缩短、润滑效果下降和发动机过早磨损的风险。
发动机机油热交换器在控制发动机润滑温度方面起着至关重要的作用。随着时间的推移,热交换器可能会堵塞、腐蚀,或者在机油和冷却液回路之间出现内部泄漏。热交换器故障会导致:
•油温升高
•缩短机油寿命
•冷却液泄漏或润滑油交叉污染
•发动机润滑故障
•过热或性能下降。
用优质的原厂配套热交换器替换磨损或失效的热交换器,可以恢复有效的机油冷却,提高发动机的可靠性,并有助于确保活塞、轴承和其他重要部件的长期保护。
何时更换。发动机机油热交换器在以下情况下需要更换:
•机油温度读数异常高
怀疑冷却液污染了机油(或反之亦然) 。
•热交换器或其连接处有可见泄漏
•您正在进行发动机大修或检修
•存在腐蚀、堵塞或热效率低下的迹象
相关参考编号
相关编号、被取代编号、交叉引用编号或替代编号,供比较之用。
94810728122
您正在查看的产品与这些编号存在交叉引用关系
- Porsche 958 Cayenne V6 3.6L Petrol 300Hp 2010-17
- Porsche 958 Cayenne S V8 4.8L Petrol 400HP 2010-17
- Porsche 958 Cayenne GTS V8 4.8L Petrol 400HP 2010-17
- Porsche 958 Cayenne Turbo V8 4.8L Petrol 500HP 2010-17
- Porsche 958 Cayenne Turbo S V8 4.8L Petrol 550HP 2010-17
- Porsche 970.1 Panamera V6 3.6L 2WD 2009-13
- Porsche 970.1 Panamera 4 V6 3.6L 4WD 2009-13
- Porsche 970.1 Panamera S V8 4.8L 2009-13
- Porsche 970.1 Panamera 4S V8 4.8L 2009-13
- Porsche 970.1 Panamera GTS V8 4.8L 2011-13
- Porsche 970.1 Panamera Turbo V8 4.8L 2009-13
- Porsche 970.1 Panamera Turbo S V8 4.8L 2009-13
OE Match 发动机机油热交换器(有时称为机油冷却器或机油冷却液热交换器)是一种精密设计的冷却组件,旨在通过在发动机机油回路和发动机冷却液之间传递热量来帮助调节发动机机油温度。
适用:
保时捷 958 卡宴 V6 3.6L 2015 - 2018
保时捷 958 Cayenne S / GTS / TURBBO 4.8L 2011- 2018
保时捷 970 Panamera V6 3.6L 2010 - 2016
保时捷 970 Panamera S / GTS / TURBO 4.8L 2011 - 2016
图示编号 5
发动机机油热交换器利用发动机冷却液的流动来带走机油中的多余热量,从而实现对发动机机油的热管理。这有助于:
•在发动机正常和高负荷运转期间保持稳定的机油温度
•减少因过热造成的油品劣化
•保持油品粘度稳定,以实现有效润滑
•提高发动机部件的长期使用寿命。
热交换器通过将机油中的热量散发到冷却液中,有助于防止机油温度过高——这在高负荷、高环境温度或激烈驾驶条件下尤为重要。
功能:
•将循环发动机油中的热量传递给冷却液
•维持最佳油温,以保持润滑性能
•防止机油过热,从而避免加速磨损
•作为发动机冷却和润滑系统的一个组成部分发挥作用。
如果没有正常工作的机油热交换器,发动机机油的温度可能会高于理想温度,从而增加机油寿命缩短、润滑效果下降和发动机过早磨损的风险。
发动机机油热交换器在控制发动机润滑温度方面起着至关重要的作用。随着时间的推移,热交换器可能会堵塞、腐蚀,或者在机油和冷却液回路之间出现内部泄漏。热交换器故障会导致:
•油温升高
•缩短机油寿命
•冷却液泄漏或润滑油交叉污染
•发动机润滑故障
•过热或性能下降。
用优质的原厂配套热交换器替换磨损或失效的热交换器,可以恢复有效的机油冷却,提高发动机的可靠性,并有助于确保活塞、轴承和其他重要部件的长期保护。
何时更换。发动机机油热交换器在以下情况下需要更换:
•机油温度读数异常高
怀疑冷却液污染了机油(或反之亦然) 。
•热交换器或其连接处有可见泄漏
•您正在进行发动机大修或检修
•存在腐蚀、堵塞或热效率低下的迹象
相关参考编号
相关编号、被取代编号、交叉引用编号或替代编号,供比较之用。
94810728122
您正在查看的产品与这些编号存在交叉引用关系
- Porsche 958 Cayenne V6 3.6L Petrol 300Hp 2010-17
- Porsche 958 Cayenne S V8 4.8L Petrol 400HP 2010-17
- Porsche 958 Cayenne GTS V8 4.8L Petrol 400HP 2010-17
- Porsche 958 Cayenne Turbo V8 4.8L Petrol 500HP 2010-17
- Porsche 958 Cayenne Turbo S V8 4.8L Petrol 550HP 2010-17
- Porsche 970.1 Panamera V6 3.6L 2WD 2009-13
- Porsche 970.1 Panamera 4 V6 3.6L 4WD 2009-13
- Porsche 970.1 Panamera S V8 4.8L 2009-13
- Porsche 970.1 Panamera 4S V8 4.8L 2009-13
- Porsche 970.1 Panamera GTS V8 4.8L 2011-13
- Porsche 970.1 Panamera Turbo V8 4.8L 2009-13
- Porsche 970.1 Panamera Turbo S V8 4.8L 2009-13
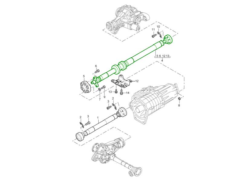
传动轴支撑轴承(仅轴承)是一款高品质的替换型中心支撑轴承,旨在恢复车辆传动轴(驱动轴)的正确支撑和对准。该轴承是传动系统中的关键部件,有助于稳定传动轴的旋转,从而减少加速和巡航过程中不必要的晃动、振动和噪音。
适用:
- 保时捷 955 卡宴 3.2L V6 2003-06
- 保时捷 955 Cayenne S 4.5L V8 2003-06
- 保时捷 955 Cayenne Turbo 4.5L 2003-06
- 保时捷 957 Cayenne 3.0L 柴油版 2007-10
- 保时捷 957 卡宴 3.6L 2007-10
- 保时捷 957 Cayenne S/GTS 4.8L 2007-10
- 保时捷 957 Cayenne Turbo / Turbo S 4.8L 2007-10
适用于图示参考编号 4
随着时间的推移,传动轴支撑轴承会因老化、持续旋转载荷和传动系统应力而磨损。磨损的轴承可能导致隆隆声、驾驶室地板振动或在载荷变化时发出敲击声。如果不及时处理,传动轴过度移动会对联轴器、接头和其他传动系统部件造成额外的压力。
本产品的功能:
- 支撑传动轴以防止过度晃动;
- 在旋转过程中保持正确的轴对准;
- 减少传动系统的振动和噪音;
- 有助于确保动力从变速箱平稳地传递到差速器;
- 保护周围的传动系统部件免受过度应力。
传动轴支撑轴承故障的症状:
- 地板振动,尤其是在加速时
- 传动系统发出隆隆声或嗡嗡声
- 起步或换载时发出砰砰/敲击声
- 以特定速度颤抖
- 检查时发现传动轴晃动过大
- 由于不对中导致等速万向节或联轴器过早磨损
为什么更换很重要:
- 恢复平稳、无振动的传动系统性能
- 防止对传动轴、联轴器或等速万向节造成进一步损坏
- 提升驾驶舒适度并降低噪音
- 保持传动系统安全可靠运行
- 避免因传动系统长期错位而导致的高昂维修费用
相关参考编号
相关编号、被取代编号、交叉引用编号或替代编号,供比较之用。
95542102015A
您正在查看的产品与这些编号存在交叉引用关系
- Porsche 955 Cayenne 3.2L V6 2003-06
- Porsche 955 Cayenne S 4.5L V8 2003-06
- Porsche 955 Cayenne Turbo 4.5L 2003-06
- Porsche 957 Cayenne 3.0L Diesel 2007-10
- Porsche 957 Cayenne 3.6L 2007-10
- Porsche 957 Cayenne S/GTS 4.8L 2007-10
- Porsche 957 Cayenne Turbo / Turbo S 4.8L 2007-10
每辆车需要 2 辆 R 级车。
后下控制臂安装衬套是一款高品质的悬挂衬套,旨在恢复兼容保时捷车型上后下控制臂(叉臂)的正确安装和可控运动。该衬套位于叉臂和底盘/副车架之间,起到柔性连接的作用,吸收振动,同时使悬挂系统在制动、加速和转弯等载荷下平稳运动。
适用:
- 保时捷 955 卡宴 3.2L V6 2003-06
- 保时捷 955 Cayenne S 4.5L V8 2003-06
- 保时捷 955 Cayenne Turbo 4.5L 2003-06
- 保时捷 955 Cayenne Turbo S 4.5L 2006款
- 保时捷 957 Cayenne 3.0L 柴油版 2007-10
- 保时捷 957 卡宴 3.6L 2007-10
- 保时捷 957 Cayenne S/GTS 4.8L 2007-10
- 保时捷 957 Cayenne Turbo / Turbo S 4.8L 2007-10
适用于图示参考编号 12
随着时间的推移,悬架衬套会因老化、路面碎屑、高温和持续弯曲而损坏。磨损的后下控制臂衬套可能导致异响、操控不稳定、轮胎磨损不均以及难以保持正确的车轮定位。更换衬套有助于使后悬架恢复到出厂时的状态,从而提高舒适性、稳定性以及驾驶信心。
本产品的功能:
- 缓冲并支撑后下叉臂安装点
- 允许可控的悬架运动,同时吸收振动;
- 有助于在负载下保持正确的车轮定位;
- 降低传递到车厢内的道路噪音和不平顺感;
- 有助于保持稳定的操控性和制动性能。
后下控制臂衬套磨损或失效的症状:
- 后悬架发出咔嗒/敲击声
- 高速行驶时后轮不稳定或有“跑偏”的感觉
- 轮胎磨损不均匀或加速。
- 身体的震动,尤其是在颠簸路面上
- 调整后仍无法保持对准状态,导致对准不良。
- 制动/加速时后悬架运动幅度过大
为什么更换很重要:
- 恢复正确的悬架几何结构和对准稳定性
- 提升操控性、舒适性和路感
- 减少不必要的噪音和振动
- 防止轮胎和悬架部件过早磨损
- 保持安全、可预测的制动和转弯性能
相关参考编号
相关编号、被取代编号、交叉引用编号或替代编号,供比较之用。
95533101712B
您正在查看的产品与这些编号存在交叉引用关系
- Porsche 955 Cayenne 3.2L V6 2003-06
- Porsche 955 Cayenne S 4.5L V8 2003-06
- Porsche 955 Cayenne Turbo 4.5L 2003-06
- Porsche 955 Cayenne Turbo S 4.5L 2006>>
- Porsche 957 Cayenne 3.0L Diesel 2007-10
- Porsche 957 Cayenne 3.6L 2007-10
- Porsche 957 Cayenne S/GTS 4.8L 2007-10
- Porsche 957 Cayenne Turbo / Turbo S 4.8L 2007-10
这是一套全面的原厂配套自动变速箱保养套件,专为配备 Tiptronic/自动变速箱的保时捷 958 Cayenne 和 970 Panamera 车型设计。它包含变速箱油更换、滤清器更换和油底壳更换所需的关键底部硬件和耗材。
适用:
适用于配备 8 速 Tiptronic 变速器的汽车
保时捷 958 卡宴 2011 - 2018
保时捷 970.1 Panamera 柴油/混合动力 2010 - 2013
保时捷 970.2 Panamera 柴油/混合动力 2014 - 2016
图示编号 30、34 和 35
该套件包含:
• 1 个原厂配套变速箱油底壳(油底壳) - 原厂参考编号 95832136100
• 1 个原厂配套油底壳垫片 - 原厂参考编号 95832137100
• 1 个原厂配套变速箱油滤网(过滤器) - 原厂参考编号 95832545300
• 9瓶Meyle ATF III变速箱油(1升)– OE参考编号00004330624
这款原厂配套变速箱保养套件包含了手自一体变速箱/自动变速箱油保养所需的所有硬件和耗材。它包含变速箱油底壳、油底壳垫片、机油滤网(滤芯)以及正确的ATF III变速箱油,为您提供一套即用型保养或大修套件。
在自动变速器中,底部组件负责油液的储存和过滤,而油液本身则承担润滑、冷却和液压控制功能,以实现平顺的换挡。同时更换所有这些部件,才能确保全面彻底的保养,并获得持久的效果。
功能:
•变速箱油底壳(油底壳)
在变速箱底部收集并储存自动变速箱油(ATF),提供密封的储油罐,保护变速箱内部部件。
•变速箱油底壳垫片
密封变速箱壳体与油底壳之间的接缝,防止液体泄漏并保持正确的液位。
•变速箱油滤网(过滤器)
在 ATF 进入泵之前,过滤掉其中较大的颗粒和碎屑,从而保护内部液压回路和齿轮组。
• ATF III 变速箱油(9x 1升)
提供新鲜的、规格正确的 Tiptronic 变速箱油(ATF III),以恢复整个自动变速箱的平稳换挡、适当的油压和可靠的润滑。
这些部件共同确保变速箱油清洁、密封且正常循环——这对于平稳换挡、最佳性能和变速箱的较长使用寿命至关重要。
定期保养自动变速箱可以保护换挡性能并延长变速箱寿命。随着时间的推移:
•油底壳垫片可能会硬化或泄漏
•滤网可能会被碎屑堵塞。
自动变速箱油会因受热和剪切而劣化。
•旧油液会失去液压完整性
这些问题若不及时解决,会导致换挡顿挫、过热、油耗增加以及变速箱磨损加剧。这款原厂配套套件可修复所有关键磨损和保养部件,确保您的Tiptronic变速箱运行平稳可靠。
何时更换。以下情况需要安装此套件:
•执行全自动变速箱保养
•注意观察犹豫的转变、激烈的交锋或噪音。
•变速箱油未按保养周期更换
•您正在保养变速箱滤清器或油底壳
•该车辆行驶里程数高或保养记录未知。
相关参考编号
相关编号、被取代编号、交叉引用编号或替代编号,供比较之用。
95832136100
您正在查看的产品与这些编号存在交叉引用关系
- Porsche 958 Cayenne V6 3.6L Petrol 300Hp 2010-17
- Porsche 958 Cayenne V6 3.0L Diesel 245HP 2010-17
- Porsche 958 Cayenne S V6 3.0L Hybrid 380HP 2010-17
- Porsche 958 Cayenne S V8 4.8L Petrol 400HP 2010-17
- Porsche 958 Cayenne S V8 4.2L Diesel 382HP 2010-17
- Porsche 958 Cayenne GTS V8 4.8L Petrol 400HP 2010-17
- Porsche 958 Cayenne Turbo V8 4.8L Petrol 500HP 2010-17
- Porsche 958 Cayenne Turbo S V8 4.8L Petrol 550HP 2010-17
- Porsche 970.1 Panamera Diesel V6 3.0L 2011-13
- Porsche 970.1 Panamera S Hybrid V6 3.0L 2011-13
适用:
保时捷 997 MKII Turbo 2010-13
套装内容:
1 个机油滤清器
1 个花粉过滤器
1 个空气过滤器
6 个火花塞
1 个油底壳塞
1 x 底盘垫圈
根据您的需求定制装备:
暂时不想更换火花塞或燃油滤清器之类的部件?没问题。结账前,您可以移除单个组件,根据您的具体需求定制套件。
想添加更多配件吗?将此套件添加到购物车后,您还可以选择添加其他零件,例如机油、点火线圈等——这样您就能获得车辆所需的全部配件。
相关参考编号
相关编号、被取代编号、交叉引用编号或替代编号,供比较之用。
SERVICEKIT.997.TT.OEM
您正在查看的产品与这些编号存在交叉引用关系
- Porsche 997 MKII Turbo 2010-13
这款原厂配套变速箱保养套件是为配备 Tiptronic 变速箱的保时捷 Cayenne 和 Panamera 车型提供的全套变速箱底部解决方案,用于保养自动变速箱油底壳区域。它包含更换变速箱油封、过滤和密封系统所需的所有关键部件。
适用:
适用于配备 8 速 Tiptronic 变速器的汽车
保时捷 958 卡宴 2011 - 2018
保时捷 970.1 Panamera 柴油/混合动力 2010 - 2013
保时捷 970.2 Panamera 柴油/混合动力 2014 - 2016
图示编号 30、34 和 35
该套件包含:
• OE匹配变速箱油底壳(油底壳) - OE参考编号95832136100
• OE匹配油底壳垫片 - OE参考编号95832137100
• OE匹配变速箱油滤网(过滤器) - OE参考编号95832545300
每个部件均按照原厂配套质量标准制造,其设计符合保时捷原厂规格,确保其尺寸、密封性和功能性符合标准。
这些部件共同构成了自动变速器的底部密封和主流体过滤接口:
•油底壳板用于容纳和保护变速箱油
•油滤器在油液进入变速箱泵之前过滤掉杂质。
•油底壳垫片确保流体在接口处保持密封。
在更换变速箱油、进行变速箱保养或诊断变速箱漏油和变速箱性能问题时,正确安装这三个部件至关重要。
这些部件对于自动变速器的健康和使用寿命至关重要。随着时间的推移:
•油底壳底板可能会凹陷或变形,并出现泄漏。
•油底壳垫片可能会被压缩、硬化或失效,导致液体泄漏。
•油滤器可能会被杂质堵塞,从而降低油流量。
油底壳受损会导致油位过低、泄漏、换挡不顺畅、过热以及变速箱损坏。同时更换这三个部件可确保变速箱底部密封、过滤良好,随时可以投入使用,从而降低油液泄漏风险并延长变速箱寿命。
何时更换。以下情况需要安装此套件:
•进行变速箱油和滤清器更换保养
•变速箱油底壳区域漏ATF油
•您正在进行变速器诊断或拆解
•变速箱出现换挡不良、过热或油压过低等情况
•该车辆行驶里程高或维修保养记录未知。
相关参考编号
相关编号、被取代编号、交叉引用编号或替代编号,供比较之用。
95832136100
您正在查看的产品与这些编号存在交叉引用关系
- Porsche 958 Cayenne V6 3.6L Petrol 300Hp 2010-17
- Porsche 958 Cayenne V6 3.0L Diesel 245HP 2010-17
- Porsche 958 Cayenne S V6 3.0L Hybrid 380HP 2010-17
- Porsche 958 Cayenne S V8 4.8L Petrol 400HP 2010-17
- Porsche 958 Cayenne S V8 4.2L Diesel 382HP 2010-17
- Porsche 958 Cayenne GTS V8 4.8L Petrol 400HP 2010-17
- Porsche 958 Cayenne Turbo V8 4.8L Petrol 500HP 2010-17
- Porsche 958 Cayenne Turbo S V8 4.8L Petrol 550HP 2010-17
- Porsche 970.1 Panamera Diesel V6 3.0L 2011-13
- Porsche 970.1 Panamera S Hybrid V6 3.0L 2011-13
这是一款与原厂配套的发动机机油滤清器壳体,内置滤芯。它可替换原装壳体,适用于拆卸或维修机油滤清器总成的情况,确保正确的机油过滤路径,并保证发动机缸体与滤芯之间的密封性。
适用:
保时捷 958 Cayenne 3.0L 柴油版 2014 - 2018
保时捷 95B Macan 3.0L V6 TDI 2014 - 2018
保时捷 970 Panamera 3.0L 柴油机 2012 - 2016
图示编号 1
机油滤清器壳体固定机油滤芯,引导机油流经滤芯介质,然后再流入润滑系统的其他部分。它确保去除机油中的金属颗粒、烟灰和其他杂质等污染物,从而保护轴承、凸轮轴和其他发动机内部部件免受磨损。适当的机油过滤对于延长发动机寿命、提升性能以及防止发动机内部部件过早损坏至关重要。
功能:
•支持发动机机油过滤:为机油滤芯提供牢固、无泄漏的安装位置
•确保正确的油流:引导油流经过滤介质,以保持清洁润滑。
•保护发动机内部零件:在机油循环至关键区域之前截留碎屑
•密封关键接口:使用正确的垫片密封发动机缸体到滤清器路径
机油滤清器壳体是发动机的关键部件。随着时间的推移,原装壳体可能会因热循环和振动而出现裂纹、变形或泄漏,导致机油泄漏或密封性能下降。受损的壳体会导致未经过滤的机油绕过滤芯,从而加速发动机内部零件的磨损、降低机油压力,并可能造成发动机损坏。
更换高质量的原厂配套壳体可以恢复正常的机油过滤路径,降低泄漏风险,并有助于在所有发动机运行条件下保持正确的润滑。
何时更换。当出现以下情况时,请更换此机油滤清器壳体:
•原外壳出现可见裂纹、变形或泄漏
•在机油滤清器和机油冷却器维修过程中,如果壳体密封件损坏
•存在油压问题或污染症状
•您正在进行发动机大修或高里程保养
•壳体垫圈已无法可靠密封。
相关参考编号
相关编号、被取代编号、交叉引用编号或替代编号,供比较之用。
95810701032
您正在查看的产品与这些编号存在交叉引用关系
- Porsche 958 Cayenne V6 3.0L Diesel 245HP 2010-17
- Porsche 970.1 Panamera Diesel V6 3.0L 2011-13
- Porsche 970.2 Panamera Diesel V6 3.0L (250Hp) 2014-16
- Porsche 95B.1 Macan S Diesel 3.0L V6 258Bhp 2014-18
这款原厂配套的变速箱油底壳(也称变速箱油底壳)专为部分保时捷 Cayenne 958 和保时捷 Panamera 970 车型所使用的八速自动 Tiptronic 变速箱而设计。该部件构成自动变速箱的下部储油槽,为变速箱油提供密封腔,并为变速箱滤清器提供安装点。
适用:
保时捷 958 卡宴 2011 - 2018
配备8速自动变速箱,可实现全轮驱动(选装代码:G1G)
保时捷 970.1 Panamera 2010 - 16 Tiptronic 车型*
图示编号 37。
*注意:与 Cayenne 不同,970 Panamera 可选装保时捷 7 速 PDK 变速箱(PR 250)。请注意,此油底壳仅兼容 Tiptronic 变速箱车型,不适用于配备 PDK 变速箱的车辆。要确认您的车辆配备的是哪种变速箱,请查看换挡杆:PDK 车型的换挡杆上会刻有“PDK”字样,而 Tiptronic 车型则没有此标记。如有需要,请随时联系我们并提供您的车辆识别码 (VIN) 以进行确认。
变速箱油底壳为自动变速箱油 (ATF) 提供了一个密封的储油槽。它作为变速箱润滑系统的下部外壳,将油液保持在正确的液位并防止其受到污染。油底壳还为变速箱油滤清器和放油螺塞(如有配备)提供安装面,并起到冷却和油液循环的作用。适当的油液储存和清洁对于延长变速箱寿命和实现最佳换挡性能至关重要。
功能:
•储液罐:储存自动变速箱油,确保油泵始终有油液供应
•防护:保护内部传动部件免受外部碎屑侵害
•安装底座:为变速箱滤清器和传感器提供安装点
•散热:通过使变速箱油暴露在车辆底部的气流中,帮助调节变速箱油的温度。
损坏、腐蚀或泄漏的油底壳会导致液体流失、过热、换挡性能差,如果不及时处理,甚至会导致变速箱故障。
自动变速箱油底壳在维持合适的自动变速箱油液位以及保护变速箱内部的液压和机械部件方面起着至关重要的作用。随着时间的推移,油底壳可能会出现以下问题:
•腐蚀,尤其是在暴露于道路盐和潮湿环境的区域
•由碎石或崎岖地形造成的凹痕或撞击损伤
•密封件或垫圈泄漏,导致液体逸出
•金属屑或污泥造成的污染
油底壳泄漏或损坏会导致变速箱油液位过低,进而造成打滑、换挡顿挫、过热,最终导致变速箱过早磨损或损坏。更换高质量的原厂配套油底壳可以恢复正常的油液密封,确保变速箱健康运行。
何时更换。变速箱油底壳在以下情况下需要更换:
•您发现车辆下方有自动变速箱油泄漏。
•平底锅有明显的损坏或腐蚀痕迹
•变速箱维修需要更换滤芯或检修内部部件
•您正在进行变速箱油和滤清器的全面保养
•诊断检查表明存在液体污染或液位过低的问题
相关参考编号
相关编号、被取代编号、交叉引用编号或替代编号,供比较之用。
95832136100
您正在查看的产品与这些编号存在交叉引用关系
- Porsche 958 Cayenne V6 3.6L Petrol 300Hp 2010-17
- Porsche 958 Cayenne V6 3.0L Diesel 245HP 2010-17
- Porsche 958 Cayenne S V6 3.0L Hybrid 380HP 2010-17
- Porsche 958 Cayenne S V8 4.8L Petrol 400HP 2010-17
- Porsche 958 Cayenne S V8 4.2L Diesel 382HP 2010-17
- Porsche 958 Cayenne GTS V8 4.8L Petrol 400HP 2010-17
- Porsche 958 Cayenne Turbo V8 4.8L Petrol 500HP 2010-17
- Porsche 958 Cayenne Turbo S V8 4.8L Petrol 550HP 2010-17
- Porsche 970.1 Panamera V6 3.6L 2WD 2009-13
- Porsche 970.1 Panamera 4 V6 3.6L 4WD 2009-13
- Porsche 970.1 Panamera S V8 4.8L 2009-13
- Porsche 970.1 Panamera 4S V8 4.8L 2009-13
- Porsche 970.1 Panamera GTS V8 4.8L 2011-13
- Porsche 970.1 Panamera Turbo V8 4.8L 2009-13
- Porsche 970.1 Panamera Turbo S V8 4.8L 2009-13
- Porsche 970.1 Panamera Diesel V6 3.0L 2011-13
- Porsche 970.1 Panamera S Hybrid V6 3.0L 2011-13
- Porsche 970.2 Panamera V6 3.6L 2WD (310Hp) 2014-16
- Porsche 970.2 Panamera 4 V6 3.6L 4WD (310Hp) 2014-16
- Porsche 970.2 Panamera S V6 Turbo 3.0L 2WD (420Hp) 2014-16
- Porsche 970.2 Panamera S V6 Turbo 3.0L 2WD Executive 2014-16
- Porsche 970.2 Panamera 4S V6 Turbo 3.0L 4WD (420Hp) 2014-16
- Porsche 970.2 Panamera 4S V6 Turbo 3.0L 4WD Executive 2014-16
- Porsche 970.2 Panamera GTS V8 4.8L 4WD (440Hp) 2014-16
- Porsche 970.2 Panamera Turbo V8 4.8L (520Hp) 2014-16
- Porsche 970.2 Panamera Turbo V8 Executive 2014-16
- Porsche 970.2 Panamera Turbo S V8 4.8L 2014-16
- Porsche 970.2 Panamera Diesel V6 3.0L (250Hp) 2014-16
- Porsche 970.2 Panamera S E-Hybrid V6 3.0L (416Hp) 2014-16
适用:
保时捷 997 MKII GT3 2010-11
套装内容:
1 个机油滤清器
1 个花粉过滤器
1 个空气过滤器
6 个火花塞
1 个油底壳塞
1 x 底盘垫圈
根据您的需求定制装备:
暂时不想更换火花塞或燃油滤清器之类的部件?没问题。结账前,您可以移除单个组件,根据您的具体需求定制套件。
想添加更多配件吗?将此套件添加到购物车后,您还可以选择添加其他零件,例如机油、点火线圈等——这样您就能获得车辆所需的全部配件。
相关参考编号
相关编号、被取代编号、交叉引用编号或替代编号,供比较之用。
SERVICEKIT.997.GT3.OEM
您正在查看的产品与这些编号存在交叉引用关系
- Porsche 997 MKII GT3 2010-11