在此输入您的增值税号,然后单击验证:
您的详细信息已经过验证。增值税号注册至:
,
。
现在,您的订单的增值税税率为零。我们保留在您提出订单请求后验证这些详细信息的权利,并在需要时恢复增值税。
您的增值税详细信息无法识别或无效。您的增值税号必须与上面指定的帐单国家/地区相匹配。当前指定为 。您无需输入增值税号的国家/地区代码部分,因为已在上面的帐单地址详细信息中选择了该部分。
增值税号查询服务目前已离线。请在下面的评论或特殊说明字段中提供您的增值税详细信息,我们将在您提出订单请求后应用增值税折扣。
OE 匹配
OE Match是一个提供种类齐全的保时捷零部件的品牌,产品涵盖垫片、悬挂硬件、发动机部件和内饰件等。目前已收录超过 6,700 个零件编号和超过 11,800 个原厂交叉参考编号,并且还在不断开发新的产品线。
OE Match目前有超过100种新产品正处于工程研发阶段,这些产品将经过严格的质量控制并添加到其产品目录中。其使命是通过提供种类繁多的零部件,解决不同世代保时捷车型可能出现的各种问题,从而确保所有保时捷车辆都能正常行驶。

适用:
保时捷 957 Cayenne S / GTS / TURBO 4.8L 2007-10
保时捷 958 Cayenne S / GTS / TURBO 4.8L 2011-18
保时捷 970 Panamera S / GTS / TURBO 4.8L 2011-16
点击“放大”查看零件大图。
图示编号 5
相关参考编号
相关编号、被取代编号、交叉引用编号或替代编号,供比较之用。
94810593702
您正在查看的产品与这些编号存在交叉引用关系
- Porsche 957 Cayenne S/GTS 4.8L 2007-10
- Porsche 957 Cayenne Turbo / Turbo S 4.8L 2007-10
- Porsche 958 Cayenne S V8 4.8L Petrol 400HP 2010-17
- Porsche 958 Cayenne GTS V8 4.8L Petrol 400HP 2010-17
- Porsche 958 Cayenne Turbo V8 4.8L Petrol 500HP 2010-17
- Porsche 958 Cayenne Turbo S V8 4.8L Petrol 550HP 2010-17
- Porsche 970.1 Panamera S V8 4.8L 2009-13
- Porsche 970.1 Panamera 4S V8 4.8L 2009-13
- Porsche 970.1 Panamera GTS V8 4.8L 2011-13
- Porsche 970.1 Panamera Turbo V8 4.8L 2009-13
- Porsche 970.1 Panamera Turbo S V8 4.8L 2009-13
- Porsche 970.2 Panamera GTS V8 4.8L 4WD (440Hp) 2014-16
- Porsche 970.2 Panamera Turbo V8 4.8L (520Hp) 2014-16
- Porsche 970.2 Panamera Turbo V8 Executive 2014-16
- Porsche 970.2 Panamera Turbo S V8 4.8L 2014-16
每个排气箱支架需要 4 个,可安装在顶部和底部。保时捷参考编号:99111147701。
适用:
保时捷 991.1 C2 / C2S 2012 - 2016
保时捷 991.1 C4 / C4S 2012 - 2016
图示编号 23
相关参考编号
相关编号、被取代编号、交叉引用编号或替代编号,供比较之用。
99111148700
您正在查看的产品与这些编号存在交叉引用关系
- Porsche 991.1 Carrera C2 3.4L (350Bhp) 2012-16
- Porsche 991.1 Carrera C2S / GTS 3.8L (400/430 Bhp) 2012-16
- Porsche 991.1 Carrera C4 3.4L (350Bhp) 2012-16
- Porsche 991.1 Carrera C4S / GTS 3.8L (400/430 Bhp) 2012-16
一对
适用:
保时捷 356 Speedster 1950 -1959 (540.1 型号)
图示编号 5
相关参考编号
相关编号、被取代编号、交叉引用编号或替代编号,供比较之用。
64455503X40
您正在查看的产品与这些编号存在交叉引用关系
- Porsche 356 1950-55
- Porsche 356A 1955-59
灵感源自保时捷 550 Spyder 翼子板上的后视镜支架。
适用:
保时捷 356 所有
•这些后视镜是目前市面上最好的,可以安装在所有356车型上。
•以原铝形式交付,可进行全面抛光或底漆喷涂车身颜色。
•配有镜子、底座垫圈和固定件。
相关参考编号
相关编号、被取代编号、交叉引用编号或替代编号,供比较之用。
718731
您正在查看的产品与这些编号存在交叉引用关系
- Porsche 356 1950-55
- Porsche 356A 1955-59

合身:
保时捷 356 B/C 1.6 01/59-12/65
保时捷 911 2.0-3.3 01/63-07/89
保时捷 912 1.6 01/65-02/70
保时捷 914 1.7-2.0 01/69-02/76
保时捷 964 3.3-3.6 12/88-06/94
保时捷 968 3.0 06/91-11/95
相关参考编号
相关编号、被取代编号、交叉引用编号或替代编号,供比较之用。
803611715
您正在查看的产品与这些编号存在交叉引用关系
- Porsche 911 1965-1968 2.0L / 912 SWB (F)
- Porsche 911 1968-1973 2.2L / 2.4L / 2.7L RS LWB (F)
- Porsche 911 1974-1977 2.7L / 1976-77 3.0 Carrera
- Porsche 911 1978-1983 3.0L / SC
- Porsche 911 1984-1986 3.2L
- Porsche 911 1987-1989 3.2L G50
- Porsche 911 1975-1977 3.0L Turbo (930)
- Porsche 911 1978-1989 3.3L Turbo (930)
- Porsche 964 (911) C2 1989-93
- Porsche 964 (911) C4 1989-93
- Porsche 964 (911) RS 3.6L 1991-93
- Porsche 964 (911) TURBO 3.3L 1991-93
- Porsche 964 (911) TURBO 3.6L 1991-93
- Porsche 968 3.0L 1992-94
- Porsche 968 Sport 3.0L 1994-95
- Porsche 968 CS 3.0L 1993-95
- Porsche 968 Turbo S 3.0L 1993-94
- Porsche 356B 1959-63
- Porsche 356C 1963-65
- Porsche 914 (1970-1976)
BS.304不锈钢芯轴弯曲。
适用:
保时捷 356 和 912 均采用推杆式发动机
相关参考编号
相关编号、被取代编号、交叉引用编号或替代编号,供比较之用。
PCG21190X00
您正在查看的产品与这些编号存在交叉引用关系
- Porsche 356 1950-55
- Porsche 356A 1955-59
- Porsche 356B 1959-63
- Porsche 356C 1963-65
这些是市面上最好的复刻产品。它们可与标准热交换器配合使用,但如果需要,J型管也可单独购买。
BS.304不锈钢芯轴弯曲。
适用:
保时捷 356 和 912 均采用推杆式发动机
相关参考编号
相关编号、被取代编号、交叉引用编号或替代编号,供比较之用。
PCG11158700
您正在查看的产品与这些编号存在交叉引用关系
- Porsche 356 1950-55
- Porsche 356A 1955-59
- Porsche 356B 1959-63
- Porsche 356C 1963-65
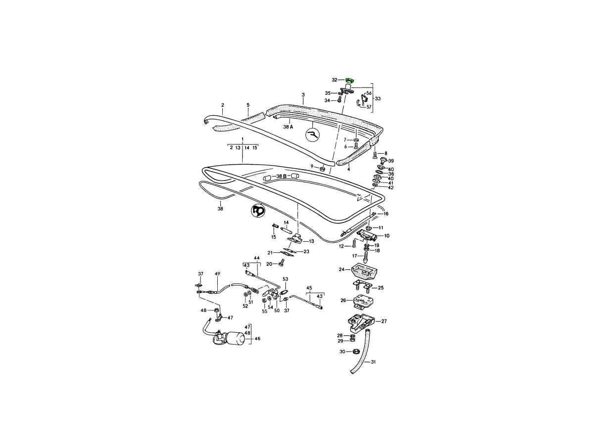
后挡板锁橡胶密封条 - 防风雨且安装牢固
后挡板锁橡胶密封条虽小却至关重要,旨在保护后挡板锁机构免受潮气、灰尘和碎屑的侵蚀。该橡胶密封条在锁具周围形成紧密的防水屏障,有助于保持锁具顺畅运行,同时防止水渗入后挡板和车身后部区域。
适用:
- 保时捷 924 2.0L 1976-79
- 保时捷 924 2.0L 1980-85
- 保时捷 924 Turbo 2.0L 1979-81
- 保时捷 924 Turbo 2.0L 1982-84
- 保时捷 924 Carrera GT 2.0L 1981 年
- 保时捷 924 Carrera GTS 2.0L 1982 年
- 保时捷 924S 2.5L 1986-87
- 1988款保时捷924S 2.5L
- 保时捷 944 2.5L 8V 1982-87
- 保时捷 944 2.7L 8V 1988-89
- 保时捷 944S 2.5L 16V 1987-88
- 保时捷 944S2 3.0L 16V 1989-91
- 保时捷 944 Turbo 2.5L 8V 1985-88
- 保时捷 944 Turbo 2.5L 8V 1989-91
- 1988款保时捷944 Turbo S 2.5L 8V
- 保时捷 968 3.0L 1992-94
- 保时捷 968 运动版 3.0L 1994-95
- 保时捷 968 CS 3.0L 1993-95
- 保时捷 968 Turbo S 3.0L 1993-94
图示编号 32
Design911 提供的后尾门锁橡胶密封条采用精密模压工艺,符合原厂规格,确保正确安装、持久密封性能,并为您的保时捷恢复保护。
后挡板锁橡胶密封条的作用是什么?
后挡板锁橡胶密封条可保护锁具和周围的车身。
核心功能:
- 密封后挡板锁,防止水和湿气侵入。
- 防止灰尘和碎屑进入锁具内部。
- 防止锁具及周围面板腐蚀。
- 保持后挡板锁定操作顺畅可靠。
- 降低后挡板区域的风噪和振动。
正确的密封有助于保持后挡板的功能和车身的完整性。
为什么后挡板锁橡胶密封条会失效?
橡胶密封件会因长期暴露于环境中而自然老化。
常见故障原因:
- 紫外线照射会导致硬化或开裂。
- 反复开关后挡板。
- 橡胶因老化而发生的收缩或弹性丧失。
- 水和清洁产品中的化学物质。
- 维护或锁具维修过程中造成的物理损坏。
密封失效会导致水分进入后挡板,从而导致腐蚀和锁具问题。
后挡板锁橡胶密封条何时需要更换?
更换密封件可以恢复保护作用并防止进一步损坏。
建议在以下情况下更换:
- 可见裂缝、裂纹或硬化现象。
- 后挡板锁附近检测到进水。
- 锁具变得僵硬或不可靠。
- 在维修后挡板锁或后饰板时。
- 作为老旧车辆预防性维护的一部分。
及时更换有助于保护锁具和后车身结构。
主要优势
- 防止水和污垢进入
- 保护后挡板锁机构
- 保持锁具平稳运行
- 恢复出厂时的密封性能
- 原厂规格,安装可靠
相关参考编号
相关编号、被取代编号、交叉引用编号或替代编号,供比较之用。
477827529A
您正在查看的产品与这些编号存在交叉引用关系
- Porsche 924 2.0L 1976-79
- Porsche 924 2.0L 1980-85
- Porsche 924 Turbo 2.0L 1979-81
- Porsche 924 Turbo 2.0L 1982-84
- Porsche 924 Carrera GT 2.0L 1981
- Porsche 924 Carrera GTS 2.0L 1982
- Porsche 924S 2.5L 1986-87
- Porsche 924S 2.5L 1988
- Porsche 944 2.5L 8V 1982-87
- Porsche 944 2.7L 8V 1988-89
- Porsche 944S 2.5L 16V 1987-88
- Porsche 944S2 3.0L 16V 1989-91
- Porsche 944 Turbo 2.5L 8V 1985-88
- Porsche 944 Turbo 2.5L 8V 1989-91
- Porsche 944 Turbo S 2.5L 8V 1988
- Porsche 968 3.0L 1992-94
- Porsche 968 Sport 3.0L 1994-95
- Porsche 968 CS 3.0L 1993-95
- Porsche 968 Turbo S 3.0L 1993-94
这款按钮专为直接安装到原仪表板开关面板而设计,按下后即可接通启动电路,激活启动电磁阀,从而启动发动机。开关本体经过精密设计,可牢固地安装在仪表板开口处,并与现有线束可靠连接。
适用:
保时捷 356 Pre-A 1950 - 1955
这款原厂配套启动按钮的制造工艺与原装保时捷部件在尺寸、颜色、触感和安装接口方面都高度一致。它提供象牙白、灰色和黑色三种复古配色,可与不同年份356车型的原装内饰风格完美匹配。
可用版本:
象牙色 - 根据生产日期,可能安装在 1953 年款 356 车型上
灰色 - 大约在 1954 年至 1955 年期间安装在 356 型车型上
黑色 - 适用于 1952 年及以前的 356 型车型
这款按钮非常适合早期保时捷 356 的修复、维护更换或内饰翻新,在这些情况下,真实性和正确的外观是首要考虑因素。
相关参考编号
相关编号、被取代编号、交叉引用编号或替代编号,供比较之用。
356610721
您正在查看的产品与这些编号存在交叉引用关系
- Porsche 356 1950-55
这款原厂配套仪表盘控制指示灯(绿色、红色或蓝色),通常被称为“指示灯”或警告灯,专为经典保时捷356车型设计,安装在仪表盘上(位于速度表和转速表之间)。它能直观地指示车辆的关键系统状态,提醒驾驶员注意需要关注的运行状况。
可用的:
•绿色 - 机油压力指示灯
•红色 - 交流发电机/发电机仪表盘指示灯
•蓝色 - 前大灯仪表盘指示灯
适用:
保时捷 356 Pre-A 1950 - 1951
适用于图中编号为 43、44 和 45 的位置。
仪表盘上的指示灯会在受监控系统(例如机油压力、充电或其他关键功能)需要注意时,向驾驶员发出清晰的视觉警告。指示灯亮起时,会提醒驾驶员采取纠正措施,有助于防止机械损坏或系统故障。
安装在仪表板上的警告灯,当连接的电路被传感器或开关激活时,就会亮起。它会接通电路(接地或供电,取决于配置),从而使灯泡点亮。其设计确保了可靠的照明和合适的亮度。
警示灯是至关重要的安全和监控功能。仪表盘上的指示灯如果出现故障或损坏,可能会导致驾驶员无法注意到机油压力损失、充电系统故障或其他可能导致发动机损坏的问题。使用原厂配套组件更换磨损或故障的警示灯,可以恢复系统的正常指示,并保持经典保时捷仪表盘的原汁原味。
何时更换:
•系统检查期间警告灯不亮
•镜片出现裂纹、褪色或变色
•电气触点腐蚀或不可靠
•在仪表板修复或重新布线期间
•恢复仪表板的原始外观
相关参考编号
相关编号、被取代编号、交叉引用编号或替代编号,供比较之用。
3566
您正在查看的产品与这些编号存在交叉引用关系
- Porsche 356 1950-55
一套6个(每辆车需要6个)
适用:
保时捷 Boxster 986 2.5L 1997-99
保时捷 Boxster 986 2.7L 1999-02
保时捷 Boxster S 986 3.2L 1999-02
保时捷 Boxster 986 2.7L 2003-04
保时捷 Boxster S 986 3.2L 2003-04
保时捷 Boxster 987 2.7L 2005 - 08/08
保时捷 Boxster 987 S 3.2/3.4L 2005-08/08
保时捷 996 C2 3.4L 1997-08/01
保时捷 996 C4 3.4L 1997-08/01
保时捷 996 C2 3.6L 09/01-2005
保时捷 996 C4 3.6L 09/01-2005
保时捷 996 C4S 3.6L 09/01-2005
保时捷 997 MK1 卡雷拉 2 3.6L 2005-08
保时捷 997 MK1 卡雷拉 2S 3.8L 2005-08
保时捷 997 MK1 卡雷拉 4 3.6L 2005-08
保时捷 997 MK1 卡雷拉 4S 3.8L 2005-08
保时捷 开曼 2.7L 987C 2006-08
保时捷 开曼 S 3.4L 987C 2005-08
图示编号 4。
为什么要更换这些螺栓
随着时间的推移,由于离合器系统中的高扭矩和热循环,飞轮与离合器压盘之间的螺栓会出现磨损和疲劳。在进行离合器或飞轮维修时更换这些螺栓至关重要,原因如下:
- 确保离合器组件牢固:防止离合器压盘脱离或打滑。
- 保持离合器性能:避免压力分布不均,以免造成离合器过早磨损。
常见问题
- 螺栓拉伸:反复的加热和冷却循环会导致螺栓拉伸,从而降低其夹紧力。
- 腐蚀:暴露于潮湿环境和道路盐分会导致生锈,从而削弱螺栓的强度。
- 螺纹磨损:频繁的拆卸和安装会导致螺纹磨损,从而导致扭矩施加不当。
- 防止损坏:降低因螺栓松动或磨损而导致飞轮或压盘损坏的风险。
相关参考编号
相关编号、被取代编号、交叉引用编号或替代编号,供比较之用。
90006713103
您正在查看的产品与这些编号存在交叉引用关系
- Porsche Boxster 986 2.5L 1997-99
- Porsche Boxster 986 2.7L 1999-02
- Porsche Boxster S 986 3.2L 1999-02
- Porsche Boxster 986 2.7L 2003-04
- Porsche Boxster S 986 3.2L 2003-04
- Porsche Boxster 987 2.7L 2005 -08/08
- Porsche Boxster 987 S 3.2/3.4L 2005-08/08
- Porsche 996 C2 3.4L 1997-08/01
- Porsche 996 C4 3.4L 1997-08/01
- Porsche 996 C2 3.6L 09/01-2005
- Porsche 996 C4 3.6L 09/01-2005
- Porsche 996 C4S 3.6L 09/01-2005
- Porsche 997 MK1 Carrera 2 3.6L 2005-08
- Porsche 997 MK1 Carrera 2S 3.8L 2005-08
- Porsche 997 MK1 Carrera 4 3.6L 2005-08
- Porsche 997 MK1 Carrera 4S 3.8L 2005-08
- Porsche Cayman 2.7L 987C 2006-08
- Porsche Cayman S 3.4L 987C 2005-08
OE Match 雨刮电机安装板,采用底漆涂装,专为 1952 年至 1957 年间生产的早期保时捷 356 车型设计。该安装板为雨刮电机在前车身结构内提供正确的安装面和对准。
适用:
保时捷 356 1952 - 1957 双门轿跑车/敞篷车
图示编号 9
安装板将雨刮电机固定在车身上,确保电机位置正确,并与雨刮传动装置保持正确的对齐。正确的安装可确保雨刮器运行平稳顺畅,并防止电机和连杆机构出现振动、错位或过早磨损。
功能:雨刮电机安装板安装在前车身面板后方,为电机总成提供坚固稳定的底座。它能吸收运行载荷和振动,同时保持电机轴和连杆臂的精确对准。正确的安装板几何形状对于确保雨刮器正确的刮水运动和长期可靠运行至关重要。
早期保时捷356车型的原装雨刮电机安装板容易因老化、受潮和长期振动而出现锈蚀、疲劳或变形。安装板损坏或错位会导致雨刮电机噪音、刮水效果不佳或连杆机构承受机械应力。更换为原厂匹配的安装板可以恢复其结构完整性、确保正确对齐并保证雨刮器性能可靠。
何时更换:
•原车牌出现腐蚀或金属疲劳迹象
•雨刮电机安装点松动或变形
•在车身整体修复或前面板维修期间
•升级或更换雨刮电机总成时
•对未修复车辆进行预防性更换
相关参考编号
相关编号、被取代编号、交叉引用编号或替代编号,供比较之用。
35661480
您正在查看的产品与这些编号存在交叉引用关系
- Porsche 356 1950-55
- Porsche 356A 1955-59

适用:
保时捷 986 Boxster 2.5L
保时捷 986 Boxster 2.7L
图示编号 6
相关参考编号
相关编号、被取代编号、交叉引用编号或替代编号,供比较之用。
98635274100
您正在查看的产品与这些编号存在交叉引用关系
- Porsche Boxster 986 2.5L 1997-99
- Porsche Boxster 986 2.7L 1999-02
- Porsche Boxster 986 2.7L 2003-04

适用:
保时捷 964 1989-94 所有车型
保时捷 993 1994-98 所有车型
保时捷 944 1982-91 所有车型
保时捷 928 1978-95 所有车型
保时捷 968 1992-95 所有车型
保时捷 924 1976-85 所有车型
保时捷 924S 1986-88
点击“放大”查看零件大图。
图示编号 2
相关参考编号
相关编号、被取代编号、交叉引用编号或替代编号,供比较之用。
92835295702
您正在查看的产品与这些编号存在交叉引用关系
- Porsche 964 (911) C2 1989-93
- Porsche 964 (911) C4 1989-93
- Porsche 964 (911) RS 3.6L 1991-93
- Porsche 964 (911) RS 3.8L 1991-93
- Porsche 964 (911) TURBO 3.3L 1991-93
- Porsche 964 (911) TURBO 3.6L 1991-93
- Porsche 993 (911) C2 1994-97
- Porsche 993 (911) C4 1994-97
- Porsche 993 (911) RS 1994-97
- Porsche 993 (911) C2S 1994-97
- Porsche 993 (911) C4S 1994-97
- Porsche 993 (911) TURBO 1994-96
- Porsche 993 (911) GT2 1994-97
- Porsche 993 (911) TURBO S 1994-97
- Porsche 924 2.0L 1976-79
- Porsche 924 2.0L 1980-85
- Porsche 924 Turbo 2.0L 1979-81
- Porsche 924 Turbo 2.0L 1982-84
- Porsche 924 Carrera GT 2.0L 1981
- Porsche 924 Carrera GTS 2.0L 1982
- Porsche 924S 2.5L 1986-87
- Porsche 924S 2.5L 1988
- Porsche 944 2.5L 8V 1982-87
- Porsche 944 2.7L 8V 1988-89
- Porsche 944S 2.5L 16V 1987-88
- Porsche 944S2 3.0L 16V 1989-91
- Porsche 944 Turbo 2.5L 8V 1985-88
- Porsche 944 Turbo 2.5L 8V 1989-91
- Porsche 944 Turbo S 2.5L 8V 1988
- Porsche 968 3.0L 1992-94
- Porsche 968 Sport 3.0L 1994-95
- Porsche 968 CS 3.0L 1993-95
- Porsche 968 Turbo S 3.0L 1993-94
- Porsche 928 4.5L 1978-82
- Porsche 928S 4.7L 1981-83
- Porsche 928S2 4.7L 1984-86
- Porsche 928S4 5.0L 1987-92
- Porsche 928GT 5.0L 1989-91
- Porsche 928GTS 5.4L 1992-95

适用:
保时捷 964 1989-94
保时捷 993 1994-98
保时捷 924S 1986-88
保时捷 944 1985-91
保时捷 968 1992-95
保时捷 986 Boxster S 3.2L 2000>>
点击“放大”查看零件大图。
图示编号 6
相关参考编号
相关编号、被取代编号、交叉引用编号或替代编号,供比较之用。
99635272300
您正在查看的产品与这些编号存在交叉引用关系
- Porsche Boxster S 986 3.2L 1999-02
- Porsche Boxster S 986 3.2L 2003-04
- Porsche 964 (911) C2 1989-93
- Porsche 964 (911) C4 1989-93
- Porsche 964 (911) RS 3.6L 1991-93
- Porsche 964 (911) RS 3.8L 1991-93
- Porsche 964 (911) TURBO 3.3L 1991-93
- Porsche 964 (911) TURBO 3.6L 1991-93
- Porsche 993 (911) C2 1994-97
- Porsche 993 (911) C4 1994-97
- Porsche 993 (911) RS 1994-97
- Porsche 993 (911) C2S 1994-97
- Porsche 993 (911) C4S 1994-97
- Porsche 993 (911) TURBO 1994-96
- Porsche 993 (911) GT2 1994-97
- Porsche 993 (911) TURBO S 1994-97
- Porsche 924S 2.5L 1986-87
- Porsche 924S 2.5L 1988
- Porsche 944 2.5L 8V 1982-87
- Porsche 944 2.7L 8V 1988-89
- Porsche 944S 2.5L 16V 1987-88
- Porsche 944S2 3.0L 16V 1989-91
- Porsche 944 Turbo 2.5L 8V 1985-88
- Porsche 944 Turbo 2.5L 8V 1989-91
- Porsche 944 Turbo S 2.5L 8V 1988
- Porsche 968 3.0L 1992-94
- Porsche 968 Sport 3.0L 1994-95
- Porsche 968 CS 3.0L 1993-95
- Porsche 968 Turbo S 3.0L 1993-94

适用:
保时捷 964 1989-94 所有车型
保时捷 993 1994-98 所有车型
保时捷 996 1998-05 所有车型
保时捷 986 Boxster S 3.2L 2000>>
保时捷 987 Boxster MKI / MKII
保时捷 987C Cayman MKI / MKII
保时捷 997 MKI / MKII
保时捷 928 - 1978 年至 1995 年
保时捷 944 - 1982 年至 1991 年
保时捷 968 - 1992 年至 1995 年
点击“放大”查看零件大图。
图示编号 2
相关参考编号
相关编号、被取代编号、交叉引用编号或替代编号,供比较之用。
298609723
您正在查看的产品与这些编号存在交叉引用关系
- Porsche Boxster S 986 3.2L 1999-02
- Porsche Boxster S 986 3.2L 2003-04
- Porsche Boxster 987 2.7L 2005 -08/08
- Porsche Boxster 987 S 3.2/3.4L 2005-08/08
- Porsche Boxster 987 MKII 2.9L 2009-2012
- Porsche Boxster S 987 MKII 3.4L 2009-2012
- Porsche 964 (911) C2 1989-93
- Porsche 964 (911) C4 1989-93
- Porsche 964 (911) RS 3.6L 1991-93
- Porsche 964 (911) RS 3.8L 1991-93
- Porsche 964 (911) TURBO 3.3L 1991-93
- Porsche 964 (911) TURBO 3.6L 1991-93
- Porsche 993 (911) C2 1994-97
- Porsche 993 (911) C4 1994-97
- Porsche 993 (911) RS 1994-97
- Porsche 993 (911) C2S 1994-97
- Porsche 993 (911) C4S 1994-97
- Porsche 993 (911) TURBO 1994-96
- Porsche 993 (911) GT2 1994-97
- Porsche 993 (911) TURBO S 1994-97
- Porsche 996 C2 3.4L 1997-08/01
- Porsche 996 C4 3.4L 1997-08/01
- Porsche 996 C2 3.6L 09/01-2005
- Porsche 996 C4 3.6L 09/01-2005
- Porsche 996 C4S 3.6L 09/01-2005
- Porsche 996 TURBO 2000-05
- Porsche 996 GT2 2001-05
- Porsche 996 GT3 MKI 1999-02
- Porsche 996 GT3 MKII 2003>>
- Porsche 996 GT3 RS 2003-04
- Porsche 997 MK1 Carrera 2 3.6L 2005-08
- Porsche 997 MK1 Carrera 2S 3.8L 2005-08
- Porsche 997 MK1 Carrera 4 3.6L 2005-08
- Porsche 997 MK1 Carrera 4S 3.8L 2005-08
- Porsche 997 MK1 TURBO 2007-09
- Porsche 997 MK1 GT3 2007-09
- Porsche 997 MK1 GT2 2007-09
- Porsche 997 MKII Carrera C2 3.6L 2009-12
- Porsche 997 MKII Carrera C4 3.6L 2009-12
- Porsche 997 MKII Carrera C2S 3.8L 2009-12
- Porsche 997 MKII Carrera C4S 3.8L 2009-12
- Porsche 997 MKII GT3 2010-11
- Porsche Cayman 2.7L 987C 2006-08
- Porsche Cayman S 3.4L 987C 2005-08
- Porsche Cayman 2.9L 987C MKII 2009-12
- Porsche Cayman S / R 3.4L 987C MKII 2009-12