Introduzca aquí su número de identificación fiscal (NIF o VAT number) y haga clic en Verificar:
No necesita incluir el código de país de su NIF, dado que ya lo ha indicado antes en su dirección de facturación.
Se han verificado sus datos. NIF registrado a nombre de:
###NUEVO MÉJICO###,
.
Su pedido cuenta ahora con una tasa cero a efectos de IVA. Nos reservamos el derecho a verificar estos datos después de que haya solicitado su pedido y a restablecer el IVA si fuese necesario.
Sus datos de identificación fiscal no han sido reconocidos o no son válidos. Su NIF debe coincidir con el país de facturación que especificó anteriormente. Actualmente se ha especificado como . No necesita incluir el código de país de su NIF, do que ya lo ha indicado antes en los datos de su dirección de facturación.
El servicio de verificación de NIF no está disponible en este momento. Le rogamos que indique sus datos del NIF en los comentarios e en el cuadro de instrucciones especiales que encontrará abajo y le aplicaremos un descuento en el IVA tras realizar su solicitud de pedido.
Porsche
Porsche para Porsche
Piezas originales Porsche y productos de estilo de vida para modelos Porsche de Design911
Una mirada rápida a Porsche
La información de Porsche en esta página se basa en detalles suministrados por el fabricante o distribuidor, además de cualquier referencia OE proporcionada con las piezas.
Cómo elegir el modelo adecuado para su Porsche
Si Porsche figura en la lista, utilice la cobertura del modelo y las referencias de equipo original para confirmar su compatibilidad. Compruebe los detalles que suelen afectar la compatibilidad, como el año del modelo, el lado/posición y el tipo de conector, si corresponde.
- Las razones típicas por las que las personas reemplazan estas piezas incluyen mantener la originalidad, mantener las especificaciones de fábrica y elegir las últimas revisiones genuinas para mayor tranquilidad.
- Los problemas reales más comunes detrás de muchas reparaciones de Porsche son la edad y el kilometraje: fugas de aceite, fatiga del sistema de enfriamiento, desgaste de los frenos y la suspensión, corrosión y fallas eléctricas por humedad o ciclos de calor.
- Antes de realizar el pedido, confirme los números de pieza con el VIN o los códigos de opción/PR, especialmente para componentes complejos o críticos para la seguridad.
- A la hora de actualizar, decide si quieres originalidad pura o cambios de rendimiento, ya que algunas opciones de recambio pueden adaptarse mejor a objetivos específicos que las originales.
- Para trabajos más grandes, reemplace los sellos, el hardware y los consumibles relacionados al mismo tiempo para evitar mano de obra repetida y problemas de compatibilidad.
- Cuando esté disponible, siga las instrucciones de instalación y asentamiento del fabricante para obtener el mejor rendimiento y durabilidad.
Explorar por categoría
Si ya conoce el área en la que trabaja, comience por la categoría y luego filtre por modelo de Porsche. Cuando se proporcionen síntomas reales y motivos típicos para el reemplazo, úselos para que la redacción sea coherente.
Frenos: Los componentes de los frenos se renuevan para restaurar la capacidad de frenado, corregir el desgaste o mejorar el rendimiento del Porsche para un uso rápido en carretera o circuito. Los síntomas comunes incluyen: vibración al frenar, mayor distancia de frenado, chirridos, tirones laterales, luces de advertencia y desgaste visible en discos y pastillas.
- Compruebe si las piezas son reemplazos equivalentes a OE o mejoras de rendimiento y compárelas con el uso que se le da al Porsche.
- Siga el procedimiento de asentamiento recomendado y considere reemplazar los discos, las pastillas, los sensores y el hardware de montaje cuando se le recomiende.
Ropa y regalos: La ropa y los regalos con temática de Porsche permiten a los propietarios y entusiastas mostrar su pasión fuera de la carretera o son el regalo ideal para los fans de la marca. Algunos síntomas comunes incluyen: Los artículos pueden desgastarse, desteñirse, dañarse o pasar de moda, lo que obliga a reemplazarlos por diseños más nuevos.
- Revise los detalles de tamaño, color y material disponibles para ayudar a elegir el artículo correcto y asegurarse de que coincida con el uso que se le dará.
- Consulta las instrucciones de cuidado o lavado para que las prendas y accesorios mantengan su apariencia por más tiempo.
Estilo de vida: Para explorar diferentes productos de estilo de vida inspirados en Porsche o ideas de regalo. Los síntomas comunes incluyen: Desgaste general por manipulación o exhibición.
- Confirme si los artículos son productos de estilo de vida oficiales de Porsche o de marcas asociadas de confianza cuando se indique.
- Tenga en cuenta para quién es el artículo y cómo se utilizará día a día para seleccionar el estilo o tipo de producto más adecuado.
Llavero: Para elegir un diseño, material o modelo diferente. Síntomas comunes: arañazos, acabados desgastados o piezas sueltas.
- Los llaveros son un regalo sencillo y práctico con temática de Porsche y se pueden combinar con modelos específicos o diseños tradicionales cuando estén disponibles.
- Si un llavero muestra daños o está flojo, reemplácelo para evitar perder llaves o un mayor desgaste de los acabados.
Tabla de tallas: La tabla de tallas es una herramienta práctica de referencia para todas las compras de ropa. Los síntomas comunes incluyen:
Explora Porsche en Design911
Vea la gama actual de Porsche en Design911, luego filtre por modelo y categoría para encontrar las piezas adecuadas.
El separador de aceite derecho es un componente original de Porsche diseñado para gestionar la ventilación del cárter separando el vapor de aceite de los gases de escape antes de que se recirculen al sistema de admisión. Montado en el lado derecho del motor, este componente garantiza que solo se introduzca aire limpio en el proceso de combustión.
Se adapta a:
- Porsche 971.1 Panamera Turbo V8 4.0L 4WD (550 CV) 2017-20
- Porsche 971.1 Panamera Turbo V8 4.0L 4WD Executive 2017-20
- Porsche 971.1 Panamera Turbo 4.0L V8 biturbo Sport Turismo 2017-20
- Porsche 971.2 Panamera Turbo S 4.0L V8 2021-23
- Porsche 971.2 Panamera Turbo S Sport Turismo 4.0L V8 2021-23
Diagrama Ref. N° 8
Qué hace este producto:
- Separa el vapor de aceite de los gases del cárter.
- Evita que el aceite entre en el sistema de admisión.
- Mantiene una ventilación adecuada del cárter (función PCV).
- Reduce el consumo de petróleo y las emisiones.
- Favorece un rendimiento del motor suave y eficiente.
Síntomas de desgaste o fallo:
- Consumo excesivo de petróleo
- Humo azul saliendo del escape (quema de aceite)
- Ralentí irregular o fallos de encendido del motor.
- Silbidos o ruidos de succión provenientes del motor
- Residuos de aceite en los componentes de admisión
- La luz de advertencia del motor está relacionada con fallas en el sistema de ventilación.
Por qué es importante la sustitución:
- Evita la contaminación por aceite del sistema de admisión.
- Restablece la ventilación adecuada del cárter
- Mejora la eficiencia del motor y reduce las emisiones.
- Protege los componentes internos del motor de la acumulación de aceite.
- Garantiza un funcionamiento suave y fiable del motor.
Números de referencia relacionados
Números relacionados, reemplazados, de referencia cruzada o alternativos para comparación.
9A710346402
El producto que está viendo hace referencia cruzada a estos números
- Porsche 971.1 Panamera Turbo V8 4.0L 4WD (550 Hp) 2017-20
- Porsche 971.1 Panamera Turbo V8 4.0L 4WD Executive 2017-20
- Porsche 971.1 Panamera Turbo 4.0L Twin-Turbo V8 Sport Turismo 2017-20
- Porsche 971.2 Panamera Turbo S 4.0L V8 2021-23
- Porsche 971.2 Panamera Turbo S Sport Turismo 4.0L V8 2021-23
El separador de aceite izquierdo es un componente original de Porsche diseñado para regular la ventilación del cárter separando los vapores de aceite de los gases de escape antes de que se recirculen al sistema de admisión. Ubicado en el lado izquierdo del motor, este separador garantiza un flujo de aire limpio y evita que el exceso de aceite entre en el proceso de combustión.
Se adapta a:
- Porsche 971.1 Panamera Turbo V8 4.0L 4WD (550 CV) 2017-20
- Porsche 971.1 Panamera Turbo V8 4.0L 4WD Executive 2017-20
- Porsche 971.1 Panamera Turbo 4.0L V8 biturbo Sport Turismo 2017-20
- Porsche 971.2 Panamera Turbo S 4.0L V8 2021-23
- Porsche 971.2 Panamera Turbo S Sport Turismo 4.0L V8 2021-23
Diagrama Ref. N° 1
Qué hace este producto:
- Separa el vapor de aceite de los gases del cárter.
- Evita que el aceite entre en el sistema de admisión.
- Mantiene una ventilación adecuada del cárter
- Reduce el consumo de petróleo y las emisiones.
- Favorece un rendimiento eficiente y estable del motor.
Síntomas de desgaste o fallo:
- Consumo excesivo de petróleo
- Humo azul saliendo del escape (aceite quemado)
- Ralentí irregular o fallos de encendido del motor.
- Silbidos o ruidos de succión provenientes del motor
- Residuos de aceite en los componentes de admisión
- La luz de control del motor está relacionada con fallos en la ventilación del cárter.
Por qué es importante la sustitución:
- Evita la contaminación por aceite del sistema de admisión.
- Restablece la ventilación y el equilibrio adecuados del motor.
- Reduce las emisiones y mejora la eficiencia.
- Protege los componentes del motor de la acumulación de aceite y los daños.
- Mantiene un funcionamiento suave y fiable del motor.
Números de referencia relacionados
Números relacionados, reemplazados, de referencia cruzada o alternativos para comparación.
PAB103495A
El producto que está viendo hace referencia cruzada a estos números
- Porsche 971.1 Panamera Turbo V8 4.0L 4WD (550 Hp) 2017-20
- Porsche 971.1 Panamera Turbo V8 4.0L 4WD Executive 2017-20
- Porsche 971.1 Panamera Turbo 4.0L Twin-Turbo V8 Sport Turismo 2017-20
- Porsche 971.2 Panamera Turbo S 4.0L V8 2021-23
- Porsche 971.2 Panamera Turbo S Sport Turismo 4.0L V8 2021-23
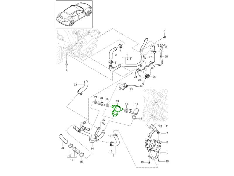
La válvula del calentador del refrigerante es un componente original de Porsche diseñado para regular el flujo de refrigerante a través del sistema de calefacción del vehículo. Al actuar como válvula de control entre el circuito de refrigeración del motor y el radiador de la calefacción, garantiza que la cantidad correcta de refrigerante caliente se dirija al sistema de calefacción del habitáculo para un control óptimo de la temperatura.
Se adapta a:
- Porsche 958 Cayenne S V6 3.0L Híbrido (380 CV) 2010-14
- Porsche 970.1 Panamera S Híbrido V6 3.0L 2011-13
Diagrama Ref. N° 19
Qué hace este producto:
- Controla el flujo de refrigerante hacia el núcleo del calefactor.
- Regula la temperatura de la calefacción del habitáculo.
- Garantiza el funcionamiento eficiente del sistema de calefacción y climatización.
- Mantiene una correcta circulación del refrigerante dentro del sistema.
- Contribuye a la refrigeración general del motor y al confort del habitáculo.
Síntomas de desgaste o fallo:
- Sin calefacción o calefacción irregular en la cabina.
- El calentador se queda atascado en caliente o frío. Fugas de refrigerante alrededor de la válvula.
- fluctuaciones de la temperatura del motor
- Rendimiento deficiente del control climático
- Mecanismo de válvula atascado o con corrosión visible
Por qué es importante la sustitución:
- Restablece el control adecuado de la calefacción de la cabina.
- Garantiza un flujo de refrigerante eficiente y el equilibrio del sistema.
- Previene fugas de refrigerante y posibles problemas de sobrecalentamiento.
- Mejora el rendimiento del sistema de climatización.
- Mantiene la comodidad de conducción, especialmente en condiciones frías.
Números de referencia relacionados
Números relacionados, reemplazados, de referencia cruzada o alternativos para comparación.
95857280900
El producto que está viendo hace referencia cruzada a estos números
- Porsche 958 Cayenne S V6 3.0L Hybrid (380Hp) 2010-17
- Porsche 970.1 Panamera S Hybrid V6 3.0L 2011-13
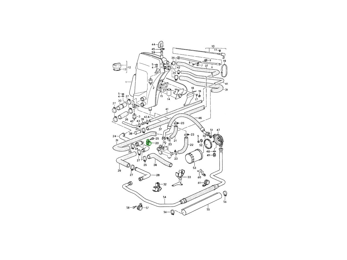
Abrazadera D1 28/15 – Abrazadera para tubería de aceite
Se vende cada uno
Abrazadera D1 28/15 de alta calidad diseñada para modelos Porsche 964, utilizada para fijar de forma segura los tubos de aceite del motor.
Esta abrazadera desempeña un papel fundamental en el correcto recorrido y la estabilidad de las tuberías de aceite dentro del compartimento del motor. Al evitar el movimiento y la vibración, ayuda a proteger las tuberías de aceite del desgaste, garantizando una lubricación constante y un rendimiento fiable del motor.
Se adapta a:
- Porsche 964 (911) C2 1989-93
- Porsche 964 (911) C4 1989-93
- Porsche 964 (911) RS 3.6L 1991-93
- Porsche 964 (911) RS 3.8L 1991-93
- Porsche 964 (911) TURBO 3.3L 1991-93
- Porsche 964 (911) TURBO 3.6L 1991-93
Diagrama ref. n.º 20
Fabricada según las especificaciones del fabricante original, esta abrazadera ofrece un ajuste preciso, durabilidad y resistencia al calor y al aceite. Se suministra individualmente y es ideal para el mantenimiento, la reparación o la restauración de los sistemas de lubricación del Porsche 964.
Características principales
• Tamaño de la abrazadera D1 28/15
• Apto para Porsche 964
• Número de pieza 99951108703
• Diseñado para la fijación de tuberías de aceite del motor
• Garantiza un montaje estable y un enrutamiento correcto.
• Resistente al calor y a la exposición al aceite.
• Construcción duradera y resistente a la corrosión
• Ajuste y rendimiento al estilo OEM
• Se venden por unidad
Función y propósito
Esta abrazadera es un componente fundamental del sistema de lubricación.
Ayuda a:
• Sujete firmemente las tuberías de petróleo en su lugar.
• Mantener el enrutamiento y la alineación correctos.
• Previene el desgaste o la fatiga relacionados con las vibraciones.
• Proteja las tuberías de aceite de posibles daños.
• Garantizar un flujo de aceite y una lubricación del motor fiables.
¿Por qué reemplazar las abrazaderas?
Las abrazaderas pueden deteriorarse con el tiempo debido al calor y la exposición al aceite.
Los problemas comunes incluyen:
• Pérdida de fuerza de sujeción
• Corrosión o fatiga
• Movimiento o desalineación de la tubería de petróleo
• Mayor riesgo de fugas o daños en el sistema.
Sustituir las abrazaderas desgastadas garantiza una instalación segura y protege los componentes críticos del motor.
Números de referencia relacionados
Números relacionados, reemplazados, de referencia cruzada o alternativos para comparación.
99951108703
El producto que está viendo hace referencia cruzada a estos números
- Porsche 964 (911) C2 1989-93
- Porsche 964 (911) C4 1989-93
- Porsche 964 (911) RS 3.6L 1991-93
- Porsche 964 (911) RS 3.8L 1991-93
- Porsche 964 (911) TURBO 3.3L 1991-93
- Porsche 964 (911) TURBO 3.6L 1991-93
Abrazadera 22/20 – Abrazadera para tubería de aire acondicionado y línea de inyección de combustible
Abrazadera 22/20 de alta calidad diseñada para aplicaciones Porsche, utilizada para fijar las tuberías del aire acondicionado en el Porsche 911 y las líneas de inyección de combustible en el Porsche 924 turbo.
Esta abrazadera garantiza que las tuberías y conductos críticos permanezcan firmemente sujetos, manteniendo el trazado correcto y evitando movimientos, vibraciones o desgaste que podrían comprometer el rendimiento del sistema. Desempeña un papel importante tanto en la eficiencia del sistema de refrigeración como en la fiabilidad del suministro de combustible.
Se adapta a:
- Porsche 911 1978-1983 3.0L/SC
- Porsche 911 1984-1986 3.2L
- Porsche 924 Turbo 2.0L 1979-81
- Porsche 924 Turbo 2.0L 1982-84
- Porsche 924 Carrera GT 2.0L 1981
- Porsche 924 Carrera GTS 2.0L 1982
Diagrama ref. n.º 40
Fabricada según las especificaciones del fabricante original, esta abrazadera ofrece un ajuste preciso, durabilidad y resistencia al calor, la presión y la exposición a combustibles. Se suministra individualmente y es ideal para trabajos de mantenimiento, reparación o restauración.
Características principales
• Tamaño de la abrazadera 22/20
• Apto para Porsche 911 y Porsche 924 Turbo
• Número de pieza 99951111502
• Se utiliza para tuberías de aire acondicionado y líneas de inyección de combustible.
• Garantiza un montaje y enrutamiento seguros.
• Previene el desgaste y el movimiento relacionados con las vibraciones.
• Resistente al calor y a la exposición a combustibles.
• Construcción duradera y resistente a la corrosión
• Ajuste y rendimiento al estilo OEM
• Se venden por unidad
Función y propósito
Esta abrazadera está diseñada para asegurar tuberías y conductos en sistemas clave.
Ayuda a:
• Sujete firmemente las tuberías del aire acondicionado (911)
• Asegurar las líneas de inyección de combustible (924 Turbo)
• Mantener el enrutamiento y la alineación correctos.
• Previene el desgaste o los daños relacionados con las vibraciones.
• Garantizar la fiabilidad del sistema a largo plazo
¿Por qué reemplazar las abrazaderas?
Las abrazaderas pueden deteriorarse con el tiempo debido a la exposición ambiental.
Los problemas comunes incluyen:
• Pérdida de fuerza de sujeción
• Corrosión o fatiga
• Movimiento de tuberías o líneas
• Mayor riesgo de fugas o ineficiencia del sistema.
Sustituir las abrazaderas desgastadas garantiza una sujeción adecuada y protege los sistemas críticos.
Números de referencia relacionados
Números relacionados, reemplazados, de referencia cruzada o alternativos para comparación.
99951111502
El producto que está viendo hace referencia cruzada a estos números
- Porsche 911 1978-1983 3.0L / SC
- Porsche 911 1984-1986 3.2L
- Porsche 924 Turbo 2.0L 1979-81
- Porsche 924 Turbo 2.0L 1982-84
- Porsche 924 Carrera GT 2.0L 1981
- Porsche 924 Carrera GTS 2.0L 1982
Abrazadera B15 – Abrazadera multiuso para mangueras, cables y tuberías.
Se vende cada uno
Abrazadera B15 de alta calidad diseñada para una amplia gama de aplicaciones Porsche en múltiples modelos.
Esta versátil abrazadera se utiliza en diversos lugares, como los mazos de cables del motor en el 911SC, las tuberías del aire acondicionado en los modelos 928 S4, 964 y 993, el recorrido del cable del acelerador en el 968, las mangueras del depósito de expansión en los modelos 924S y 944, y las líneas de refrigeración de la caja de cambios automática en los modelos 924S y 944.
Se adapta a:
- Porsche 911 1978-1983 3.0L/SC
- Porsche 993 (911) C2 1994-97
- Porsche 993 (911) C4 1994-97
- Porsche 993 (911) RS 1994-97
- Porsche 993 (911) C2S 1994-97
- Porsche 993 (911) C4S 1994-97
- Porsche 993 (911) TURBO 1994-96
- Porsche 993 (911) GT2 1994-97
- Porsche 993 (911) TURBO S 1994-97
- Porsche 924S 2.5L 1986-87
- Porsche 924S 2.5L 1988
- Porsche 944 2.5L 8V 1985-87
- Porsche 944 2.7L 8V 1988-89
- Porsche 944S 2.5L 16V 1987-88
- Porsche 944S2 3.0L 16V 1989-91
- Porsche 944 Turbo 2.5L 8V 1985-88
- Porsche 944 Turbo 2.5L 8V 1989-91
- Porsche 944 Turbo S 2.5L 8V 1988
- Porsche 968 3.0L 1992-94
- Porsche 968 deporte 3.0L 1994-95
- Porsche 968 CS 3.0L 1993-95
- Porsche 968 Turbo S 3.0L 1993-94
- Porsche 928S2 4.7L 1984-86
- Porsche 928S4 5.0L 1987-92
- Porsche 928GT 5.0L 1989-91
Fabricada según las especificaciones del fabricante original, esta abrazadera garantiza una fijación segura, durabilidad y resistencia al calor y la corrosión. Se suministra individualmente y es ideal para el mantenimiento, la reparación o la restauración de diversos sistemas Porsche.
Características principales
• Tamaño de la abrazadera B15
• Adecuado para múltiples modelos y aplicaciones de Porsche.
• Número de pieza 99951111801
• Uso múltiple: mazo de cables, tuberías de aire acondicionado, cable del acelerador, líneas de refrigeración
• Garantiza un montaje seguro y un enrutamiento correcto.
• Previene el desgaste y el movimiento relacionados con las vibraciones.
• Construcción duradera y resistente a la corrosión
• Ajuste y rendimiento al estilo OEM
• Se venden por unidad
Función y propósito
Esta abrazadera está diseñada para fijar mangueras, cables y tuberías en diversos sistemas.
Ayuda a:
• Sujete firmemente los mazos de cables en su lugar.
• Mantener el trazado correcto de las tuberías del aire acondicionado.
• Asegure los cables del acelerador y las líneas de refrigeración.
• Previene el desgaste o los daños relacionados con las vibraciones.
• Garantizar la fiabilidad del sistema a largo plazo
¿Por qué reemplazar las abrazaderas?
Las abrazaderas pueden degradarse con el tiempo debido al calor, la presión y la exposición ambiental.
Los problemas comunes incluyen:
• Pérdida de fuerza de sujeción
• Corrosión o fatiga
• Movimiento de mangueras, cables o tuberías
• Mayor riesgo de desgaste o fallo del sistema
Sustituir las abrazaderas desgastadas garantiza una sujeción adecuada y protege los componentes críticos.
Números de referencia relacionados
Números relacionados, reemplazados, de referencia cruzada o alternativos para comparación.
99951111801
El producto que está viendo hace referencia cruzada a estos números
- Porsche 911 1978-1983 3.0L / SC
- Porsche 993 (911) C2 1994-97
- Porsche 993 (911) C4 1994-97
- Porsche 993 (911) RS 1994-97
- Porsche 993 (911) C2S 1994-97
- Porsche 993 (911) C4S 1994-97
- Porsche 993 (911) TURBO 1994-96
- Porsche 993 (911) GT2 1994-97
- Porsche 993 (911) TURBO S 1994-97
- Porsche 924S 2.5L 1986-87
- Porsche 924S 2.5L 1988
- Porsche 944 2.5L 8V 1982-87
- Porsche 944 2.7L 8V 1988-89
- Porsche 944S 2.5L 16V 1987-88
- Porsche 944S2 3.0L 16V 1989-91
- Porsche 944 Turbo 2.5L 8V 1985-88
- Porsche 944 Turbo 2.5L 8V 1989-91
- Porsche 944 Turbo S 2.5L 8V 1988
- Porsche 968 3.0L 1992-94
- Porsche 968 Sport 3.0L 1994-95
- Porsche 968 CS 3.0L 1993-95
- Porsche 968 Turbo S 3.0L 1993-94
- Porsche 928S2 4.7L 1984-86
- Porsche 928S4 5.0L 1987-92
- Porsche 928GT 5.0L 1989-91
Abrazadera 25/15 – Abrazadera para válvula de aire eléctrica y mazo de cables
Abrazadera 25/15 de alta calidad diseñada para los modelos Porsche 928 y 997.2 equipados con el kit de mejora del motor X51.
Esta abrazadera se utiliza para montar la válvula de aire eléctrica en el Porsche 928 y para fijar el mazo de cables del motor en el Porsche 997.2 X51, garantizando una posición estable y un correcto enrutamiento de los componentes críticos dentro del compartimento del motor.
Se adapta a:
- Porsche 997 MKII Carrera C2 3.6L 2009-12
- Porsche 997 MKII Carrera C4 3.6L 2009-12
- Porsche 997 MKII Carrera C2S 3.8L 2009-12
- Porsche 997 MKII Carrera C4S 3.8L 2009-12
- Porsche 928 4.5L 1978-82
- Porsche 928S 4.7L 1981-83
- Porsche 928S2 4.7L 1984-86
Diagrama ref. n.º 37B
Fabricada según las especificaciones del fabricante original, esta abrazadera ofrece un ajuste preciso, durabilidad y resistencia al calor y a las vibraciones. Se suministra individualmente y es ideal para el mantenimiento, la reparación o la restauración de los sistemas de admisión y eléctricos de Porsche.
Características principales
• Tamaño de la abrazadera 25/15
• Apto para Porsche 928 y Porsche 997.2 (actualización de motor X51)
• Número de pieza 99951112401
• Se utiliza para el montaje de válvulas de aire eléctricas y la fijación del mazo de cables.
• Garantiza un montaje estable y un enrutamiento correcto.
• Previene el movimiento y el desgaste relacionados con las vibraciones.
• Construcción duradera y resistente a la corrosión
• Ajuste y rendimiento al estilo OEM
• Se venden por unidad
Función y propósito
Esta abrazadera está diseñada para fijar componentes en diferentes sistemas.
Ayuda a:
• Monte la válvula de aire eléctrica de forma segura (928)
• Mantener el correcto enrutamiento de los mazos de cables del motor (997.2 X51)
• Evitar el desgaste o el movimiento relacionados con las vibraciones.
• Proteger los componentes eléctricos y de admisión sensibles.
• Garantizar la fiabilidad del sistema a largo plazo
¿Por qué reemplazar las abrazaderas?
Las abrazaderas pueden deteriorarse con el tiempo debido al calor y la exposición ambiental.
Los problemas comunes incluyen:
• Pérdida de fuerza de sujeción
• Corrosión o fatiga
• Movimiento o desalineación de componentes
• Mayor riesgo de desgaste o fallos del sistema.
Sustituir las abrazaderas desgastadas garantiza una instalación segura y protege los sistemas críticos.
Números de referencia relacionados
Números relacionados, reemplazados, de referencia cruzada o alternativos para comparación.
99951112401
El producto que está viendo hace referencia cruzada a estos números
- Porsche 997 MKII Carrera C2 3.6L 2009-12
- Porsche 997 MKII Carrera C4 3.6L 2009-12
- Porsche 997 MKII Carrera C2S 3.8L 2009-12
- Porsche 997 MKII Carrera C4S 3.8L 2009-12
- Porsche 928 4.5L 1978-82
- Porsche 928S 4.7L 1981-83
- Porsche 928S2 4.7L 1984-86
Abrazadera 25/15 – Abrazadera para válvula de aire eléctrica y mazo de cables
Abrazadera 25/15 de alta calidad diseñada para los modelos Porsche 928 y 997.2 equipados con el kit de mejora del motor X51.
Esta abrazadera se utiliza para montar la válvula de aire eléctrica en el Porsche 928 y para fijar el mazo de cables del motor en el Porsche 997.2 X51, garantizando una posición estable y un correcto enrutamiento de los componentes críticos dentro del compartimento del motor.
Se adapta a:
- Porsche 997 MKII Carrera C2 3.6L 2009-12
- Porsche 997 MKII Carrera C4 3.6L 2009-12
- Porsche 997 MKII Carrera C2S 3.8L 2009-12
- Porsche 997 MKII Carrera C4S 3.8L 2009-12
- Porsche 928 4.5L 1978-82
- Porsche 928S 4.7L 1981-83
- Porsche 928S2 4.7L 1984-86
Diagrama ref. n.º 37B
Fabricada según las especificaciones del fabricante original, esta abrazadera ofrece un ajuste preciso, durabilidad y resistencia al calor y a las vibraciones. Se suministra individualmente y es ideal para el mantenimiento, la reparación o la restauración de los sistemas de admisión y eléctricos de Porsche.
Características principales
• Tamaño de la abrazadera 25/15
• Apto para Porsche 928 y Porsche 997.2 (actualización de motor X51)
• Número de pieza 99951112401
• Se utiliza para el montaje de válvulas de aire eléctricas y la fijación del mazo de cables.
• Garantiza un montaje estable y un enrutamiento correcto.
• Previene el movimiento y el desgaste relacionados con las vibraciones.
• Construcción duradera y resistente a la corrosión
• Ajuste y rendimiento al estilo OEM
• Se venden por unidad
Función y propósito
Esta abrazadera está diseñada para fijar componentes en diferentes sistemas.
Ayuda a:
• Monte la válvula de aire eléctrica de forma segura (928)
• Mantener el correcto enrutamiento de los mazos de cables del motor (997.2 X51)
• Evitar el desgaste o el movimiento relacionados con las vibraciones.
• Proteger los componentes eléctricos y de admisión sensibles.
• Garantizar la fiabilidad del sistema a largo plazo
¿Por qué reemplazar las abrazaderas?
Las abrazaderas pueden deteriorarse con el tiempo debido al calor y la exposición ambiental.
Los problemas comunes incluyen:
• Pérdida de fuerza de sujeción
• Corrosión o fatiga
• Movimiento o desalineación de componentes
• Mayor riesgo de desgaste o fallos del sistema.
Sustituir las abrazaderas desgastadas garantiza una instalación segura y protege los sistemas críticos.
Números de referencia relacionados
Números relacionados, reemplazados, de referencia cruzada o alternativos para comparación.
99951112401
El producto que está viendo hace referencia cruzada a estos números
- Porsche 997 MKII Carrera C2 3.6L 2009-12
- Porsche 997 MKII Carrera C4 3.6L 2009-12
- Porsche 997 MKII Carrera C2S 3.8L 2009-12
- Porsche 997 MKII Carrera C4S 3.8L 2009-12
- Porsche 928 4.5L 1978-82
- Porsche 928S 4.7L 1981-83
- Porsche 928S2 4.7L 1984-86
Abrazadera 17/15 – Abrazadera para el mazo de cables, la línea de CA y la carcasa de la caja de cambios
Se vende cada uno
Abrazadera 17/15 de alta calidad diseñada para múltiples modelos de Porsche, incluidos los Boxster y Cayman 928, 964 y 987.1.
Esta versátil abrazadera se utiliza en varios puntos clave, como los mazos de cables de la unidad de control del Porsche 928, las tuberías rígidas del aire acondicionado del Porsche 964 y la carcasa de la caja de cambios Tiptronic del Porsche 987.1. Garantiza una fijación segura y un correcto enrutamiento de los componentes críticos en los sistemas eléctricos, de refrigeración y de transmisión.
Se adapta a:
- Porsche Boxster 987 2.7L 2005-08/08
- Porsche Boxster 987 S 3,2/3.4L 2005-08/08
- Porsche 964 (911) C2 1989-93
- Porsche 964 (911) C4 1989-93
- Porsche 964 (911) RS 3.6L 1991-93
- Porsche 964 (911) RS 3.8L 1991-93
- Porsche 964 (911) TURBO 3.3L 1991-93
- Porsche 964 (911) TURBO 3.6L 1991-93
- Porsche Caimán 2.7L 987C 2006-08
- Porsche Caymán S 3.4L 987C 2005-08
- Porsche 928S2 4.7L 1984-86
- Porsche 928S4 5.0L 1987-92
- Porsche 928GT 5.0L 1989-91
Diagrama ref. n.º 8
Fabricada según las especificaciones del fabricante original, esta abrazadera ofrece durabilidad, resistencia a la corrosión y un ajuste preciso. Se suministra individualmente y es ideal para trabajos de mantenimiento, reparación o restauración.
Características principales
• Tamaño de la abrazadera 17/15
• Apto para Porsche 928, 964 y 987.1
• Número de pieza 99951114202
• Multiusos: mazo de cables, línea de CA, carcasa de caja de cambios
• Garantiza un montaje y enrutamiento seguros.
• Previene el desgaste y el movimiento relacionados con las vibraciones.
• Construcción duradera y resistente a la corrosión
• Ajuste y rendimiento al estilo OEM
• Se venden por unidad
Función y propósito
Esta abrazadera está diseñada para fijar tuberías, cables y componentes en su lugar.
Ayuda a:
• Sujete firmemente los mazos de cables (928)
• Mantener el enrutamiento correcto de las líneas de CA (964)
• Fijar los componentes a la carcasa de la caja de cambios Tiptronic (987.1)
• Previene el desgaste o los daños relacionados con las vibraciones.
• Garantizar la fiabilidad del sistema a largo plazo
¿Por qué reemplazar las abrazaderas?
Las abrazaderas pueden deteriorarse con el tiempo debido al calor y la exposición ambiental.
Los problemas comunes incluyen:
• Pérdida de fuerza de sujeción
• Corrosión o fatiga
• Movimiento de tuberías, cables o componentes
• Mayor riesgo de desgaste o fallo del sistema
Sustituir las abrazaderas desgastadas garantiza una sujeción adecuada y protege los sistemas críticos.
Números de referencia relacionados
Números relacionados, reemplazados, de referencia cruzada o alternativos para comparación.
99951114202
El producto que está viendo hace referencia cruzada a estos números
- Porsche Boxster 987 2.7L 2005-08/08
- Porsche Boxster 987 S 3.2/3.4L 2005-08/08
- Porsche 964 (911) C2 1989-93
- Porsche 964 (911) C4 1989-93
- Porsche 964 (911) RS 3.6L 1991-93
- Porsche 964 (911) RS 3.8L 1991-93
- Porsche 964 (911) TURBO 3.3L 1991-93
- Porsche 964 (911) TURBO 3.6L 1991-93
- Porsche Cayman 2.7L 987C 2006-08
- Porsche Cayman S 3.4L 987C 2005-08
- Porsche 928S2 4.7L 1984-86
- Porsche 928S4 5.0L 1987-92
- Porsche 928GT 5.0L 1989-91
Abrazadera 8/15 W5 – Abrazadera para la línea de combustible y dirección asistida
Se vende cada uno
Abrazadera 8/15 W5 de alta calidad diseñada para múltiples modelos de Porsche, incluidos 924S, 944, 968, 993 y 996 Turbo.
Esta abrazadera se utiliza para fijar las mangueras de la dirección asistida en los modelos 924S, 944 y 968, así como las líneas de combustible en los Porsche 964 y 996 Turbo, garantizando el correcto enrutamiento y el montaje seguro de los sistemas de fluidos críticos.
Se adapta a:
- Porsche 964 (911) C2 1989-93
- Porsche 964 (911) C4 1989-93
- Porsche 964 (911) RS 3.6L 1991-93
- Porsche 964 (911) RS 3.8L 1991-93
- Porsche 993 (911) TURBO 1994-96
- Porsche 993 (911) GT2 1994-97
- Porsche 993 (911) TURBO S 1994-97
- Porsche 996 TURBO 2000-05
- Porsche 996 GT2 2001-05
- Porsche 924S 2.5L 1986-87
- Porsche 924S 2.5L 1988
- Porsche 944 2.5L 8V 1982-87
- Porsche 944 2.7L 8V 1988-89
- Porsche 944S 2.5L 16V 1987-88
- Porsche 944S2 3.0L 16V 1989-91
- Porsche 944 Turbo 2.5L 8V 1985-88
- Porsche 944 Turbo 2.5L 8V 1989-91
- Porsche 944 Turbo S 2.5L 8V 1988
- Porsche 968 3.0L 1992-94
- Porsche 968 deporte 3.0L 1994-95
- Porsche 968 CS 3.0L 1993-95
- Porsche 968 Turbo S 3.0L 1993-94
Diagrama ref. n.º 38
Fabricada según las especificaciones del fabricante original, esta abrazadera ofrece durabilidad, resistencia a la corrosión y un ajuste preciso. Se suministra individualmente y es ideal para el mantenimiento, la reparación o la restauración de sistemas de dirección y combustible.
Características principales
• Tamaño de la abrazadera 8/15 W5
• Apto para Porsche 924, 924S, 944, 968, 993 y 996 Turbo.
• Número de pieza 99951115302
• Se utiliza para mangueras de dirección asistida y conductos de combustible.
• Garantiza una fijación y un enrutamiento seguros de la manguera.
• Previene el desgaste y el movimiento relacionados con las vibraciones.
• Construcción duradera y resistente a la corrosión
• Ajuste y rendimiento al estilo OEM
• Se venden por unidad
Función y propósito
Esta abrazadera está diseñada para fijar mangueras dentro de sistemas de fluidos clave.
Ayuda a:
• Sujete firmemente las mangueras de la dirección asistida.
• Mantener el trazado correcto de las líneas de combustible.
• Evitar daños por movimiento y vibración de la manguera
• Reduce el riesgo de fugas o fallos del sistema.
• Garantizar la fiabilidad del sistema a largo plazo
¿Por qué reemplazar las abrazaderas?
Las abrazaderas pueden deteriorarse con el tiempo debido al calor, la presión y la exposición a los elementos.
Los problemas comunes incluyen:
• Pérdida de fuerza de sujeción
• Corrosión o fatiga
• Movimiento o aflojamiento de la manguera
• Mayor riesgo de fugas o ineficiencia del sistema.
Sustituir las abrazaderas desgastadas garantiza una instalación segura y protege los sistemas críticos.
Números de referencia relacionados
Números relacionados, reemplazados, de referencia cruzada o alternativos para comparación.
99951115302
El producto que está viendo hace referencia cruzada a estos números
- Porsche 964 (911) C2 1989-93
- Porsche 964 (911) C4 1989-93
- Porsche 964 (911) RS 3.6L 1991-93
- Porsche 964 (911) RS 3.8L 1991-93
- Porsche 993 (911) TURBO 1994-96
- Porsche 993 (911) GT2 1994-97
- Porsche 993 (911) TURBO S 1994-97
- Porsche 996 TURBO 2000-05
- Porsche 996 GT2 2001-05
- Porsche 924S 2.5L 1986-87
- Porsche 924S 2.5L 1988
- Porsche 944 2.5L 8V 1982-87
- Porsche 944 2.7L 8V 1988-89
- Porsche 944S 2.5L 16V 1987-88
- Porsche 944S2 3.0L 16V 1989-91
- Porsche 944 Turbo 2.5L 8V 1985-88
- Porsche 944 Turbo 2.5L 8V 1989-91
- Porsche 944 Turbo S 2.5L 8V 1988
- Porsche 968 3.0L 1992-94
- Porsche 968 Sport 3.0L 1994-95
- Porsche 968 CS 3.0L 1993-95
- Porsche 968 Turbo S 3.0L 1993-94
Abrazadera D1 20x15 – Abrazadera multiposición
Abrazadera D1 de alta calidad de 20x15 mm diseñada para fijar diversos componentes en los modelos Porsche 924S, 944, 928, 964 y 993.
Esta versátil abrazadera se utiliza en múltiples aplicaciones, incluyendo cables de apertura del capó (924S / 944), mangueras del depósito de expansión (944), mazo de cables del motor (928 S4), mangueras de vacío de inyección (964) y conexiones del depósito de freno (993).
Se adapta a:
- Porsche 964 (911) C2 1989-93
- Porsche 964 (911) C4 1989-93
- Porsche 964 (911) RS 3.6L 1991-93
- Porsche 964 (911) RS 3.8L 1991-93
- Porsche 993 (911) C2 1994-97
- Porsche 993 (911) C4 1994-97
- Porsche 993 (911) RS 1994-97
- Porsche 993 (911) C2S 1994-97
- Porsche 993 (911) C4S 1994-97
- Porsche 993 (911) TURBO 1994-96
- Porsche 993 (911) GT2 1994-97
- Porsche 993 (911) TURBO S 1994-97
- Porsche 924S 2.5L 1986-87
- Porsche 924S 2.5L 1988
- Porsche 944 2.5L 8V 1982-87
- Porsche 944 2.7L 8V 1988-89
- Porsche 944S 2.5L 16V 1987-88
- Porsche 944S2 3.0L 16V 1989-91
- Porsche 944 Turbo 2.5L 8V 1985-88
- Porsche 944 Turbo 2.5L 8V 1989-91
- Porsche 944 Turbo S 2.5L 8V 1988
- Porsche 928S4 5.0L 1987-92
- Porsche 928GT 5.0L 1989-91
- Porsche 928GTS 5.4L 1992-95
Diagrama ref. n.º 24
Fabricada según las especificaciones del fabricante original, esta abrazadera garantiza una fijación segura, durabilidad y resistencia a la corrosión. Se suministra individualmente y es ideal para el mantenimiento, la reparación o la restauración de diversos sistemas Porsche.
Características principales
• Tamaño de la abrazadera D1 20x15
• Apto para Porsche 964S, 944, 928, 964 y 993
• Número de pieza 99951117701
• Multiusos: cables, mangueras, mazos de cables, líneas de vacío
• Garantiza un montaje y enrutamiento seguros.
• Previene el desgaste y el movimiento relacionados con las vibraciones.
• Construcción duradera y resistente a la corrosión
• Ajuste y rendimiento al estilo OEM
• Se venden por unidad
Función y propósito
Esta abrazadera está diseñada para sujetar una amplia gama de componentes.
Ayuda a:
• Sujeta los cables, mangueras y mazos de cables en su lugar.
• Mantener el enrutamiento y la alineación correctos.
• Previene el desgaste o los daños relacionados con las vibraciones.
• Proteja los sistemas sensibles, como el cableado y las líneas de vacío.
• Garantizar la fiabilidad a largo plazo en múltiples sistemas.
¿Por qué reemplazar las abrazaderas?
Las abrazaderas pueden deteriorarse con el tiempo debido al calor y la exposición ambiental.
Los problemas comunes incluyen:
• Pérdida de fuerza de sujeción
• Corrosión o fatiga
• Movimiento de mangueras, cables o cableado
• Mayor riesgo de desgaste o fallo del sistema
Sustituir las abrazaderas desgastadas garantiza una sujeción adecuada y protege los componentes críticos.
Números de referencia relacionados
Números relacionados, reemplazados, de referencia cruzada o alternativos para comparación.
99951117701
El producto que está viendo hace referencia cruzada a estos números
- Porsche 964 (911) C2 1989-93
- Porsche 964 (911) C4 1989-93
- Porsche 964 (911) RS 3.6L 1991-93
- Porsche 964 (911) RS 3.8L 1991-93
- Porsche 993 (911) C2 1994-97
- Porsche 993 (911) C4 1994-97
- Porsche 993 (911) RS 1994-97
- Porsche 993 (911) C2S 1994-97
- Porsche 993 (911) C4S 1994-97
- Porsche 993 (911) TURBO 1994-96
- Porsche 993 (911) GT2 1994-97
- Porsche 993 (911) TURBO S 1994-97
- Porsche 924S 2.5L 1986-87
- Porsche 924S 2.5L 1988
- Porsche 944 2.5L 8V 1982-87
- Porsche 944 2.7L 8V 1988-89
- Porsche 944S 2.5L 16V 1987-88
- Porsche 944S2 3.0L 16V 1989-91
- Porsche 944 Turbo 2.5L 8V 1985-88
- Porsche 944 Turbo 2.5L 8V 1989-91
- Porsche 944 Turbo S 2.5L 8V 1988
- Porsche 928S4 5.0L 1987-92
- Porsche 928GT 5.0L 1989-91
- Porsche 928GTS 5.4L 1992-95
Abrazadera 14x15 – Tubo de succión de CA
Abrazadera de alta calidad de 14x15 mm diseñada específicamente para los modelos Porsche 964, utilizada para fijar el tubo rígido de succión del aire acondicionado.
Esta abrazadera asegura que el tubo de succión del aire acondicionado quede firmemente sujeto, manteniendo el recorrido correcto y evitando movimientos o vibraciones que podrían provocar desgaste o daños en el sistema. Desempeña un papel importante en la preservación de la fiabilidad y la eficiencia del sistema de aire acondicionado.
Diagrama ref. n.º 7
Fabricada según las especificaciones del fabricante original, esta abrazadera ofrece un ajuste preciso, durabilidad y resistencia a la corrosión. Se suministra individualmente y es ideal para el mantenimiento, la reparación o la restauración de los sistemas de aire acondicionado del Porsche 964.
Características principales
• Tamaño de la abrazadera 14x15
• Apto para Porsche 964
• Número de pieza 99951221202
• Diseñado para la fijación de tuberías de succión de CA
• Garantiza un trazado y posicionamiento estables de las tuberías.
• Previene el desgaste provocado por las vibraciones
• Construcción duradera y resistente a la corrosión
• Ajuste y rendimiento al estilo OEM
• Se venden por unidad
Función y propósito
Esta abrazadera es un componente de fijación fundamental dentro del sistema de aire acondicionado.
Ayuda a:
• Asegure el tubo de succión de CA sólido en su posición.
• Mantener el trazado correcto de las tuberías
• Evitar vibraciones y movimientos.
• Proteger las tuberías del desgaste y la fatiga.
• Garantizar la fiabilidad a largo plazo del sistema de aire acondicionado.
¿Por qué reemplazar las abrazaderas?
Las abrazaderas pueden deteriorarse con el tiempo debido al calor y la exposición ambiental.
Los problemas comunes incluyen:
• Pérdida de fuerza de sujeción
• Corrosión o fatiga
• Movimiento o desalineación de las tuberías
• Mayor riesgo de daños en el sistema
Sustituir las abrazaderas desgastadas garantiza una instalación segura y protege los componentes del sistema de aire acondicionado.
Números de referencia relacionados
Números relacionados, reemplazados, de referencia cruzada o alternativos para comparación.
99951121202
El producto que está viendo hace referencia cruzada a estos números
- Porsche 964 (911) C2 1989-93
- Porsche 964 (911) C4 1989-93
- Porsche 964 (911) RS 3.6L 1991-93
- Porsche 964 (911) RS 3.8L 1991-93
- Porsche 964 (911) TURBO 3.3L 1991-93
- Porsche 964 (911) TURBO 3.6L 1991-93
Abrazadera 17x15 – Abrazadera para colector de admisión y manguera de dirección asistida
Se vende cada uno
Abrazadera de alta calidad de 17x15 mm diseñada para fijar mangueras en los modelos Porsche 911, 964, 993 y 944.
Esta abrazadera se utiliza para las mangueras del colector de admisión de aire en los modelos Porsche 911, 964 y 993, así como para las mangueras de la dirección asistida en el Porsche 944, garantizando un enrutamiento correcto y una fijación segura en sistemas críticos.
Se adapta a:
- Porsche 911 1984-1986 3.2L
- Porsche 911 1987-1989 3.2L G50
- Porsche 964 (911) C2 1989-93
- Porsche 964 (911) C4 1989-93
- Porsche 964 (911) RS 3.6L 1991-93
- Porsche 964 (911) RS 3.8L 1991-93
- Porsche 993 (911) C2 1994-97
- Porsche 993 (911) C4 1994-97
- Porsche 993 (911) RS 1994-97
- Porsche 993 (911) C2S 1994-97
- Porsche 993 (911) C4S 1994-97
- Porsche 944 2.5L 8V 1985-87
- Porsche 944 2.7L 8V 1988-89
- Porsche 944S 2.5L 16V 1987-88
- Porsche 944S2 3.0L 16V 1989-91
- Porsche 944 Turbo 2.5L 8V 1985-88
- Porsche 944 Turbo 2.5L 8V 1989-91
- Porsche 944 Turbo S 2.5L 8V 1988
Diagrama ref. n.º 23
Fabricada según las especificaciones del fabricante original, esta abrazadera ofrece durabilidad, resistencia a la corrosión y un ajuste preciso. Se suministra individualmente y es ideal para el mantenimiento, la reparación o la restauración de los sistemas de admisión y dirección de Porsche.
Características principales
• Tamaño de la abrazadera 17x15
• Apto para Porsche 911, 964, 993 y 944
• Número de pieza 99951242802
• Se utiliza para aplicaciones en colectores de admisión y mangueras de dirección asistida.
• Garantiza una fijación y un enrutamiento seguros de la manguera.
• Previene el desgaste y el movimiento relacionados con las vibraciones.
• Construcción duradera y resistente a la corrosión
• Ajuste y rendimiento al estilo OEM
• Se venden por unidad
Función y propósito
Esta abrazadera está diseñada para fijar mangueras en múltiples sistemas.
Ayuda a:
• Sujete firmemente las mangueras de aire del colector de admisión en su lugar.
• Mantener el correcto enrutamiento de las mangueras de la dirección asistida.
• Evitar daños por movimiento y vibración de la manguera
• Favorece un flujo de aire estable y un rendimiento óptimo del sistema de dirección.
• Garantizar la fiabilidad del sistema a largo plazo
¿Por qué reemplazar las abrazaderas?
Las abrazaderas pueden deteriorarse con el tiempo debido al calor y la exposición ambiental.
Los problemas comunes incluyen:
• Pérdida de fuerza de sujeción
• Corrosión o fatiga
• Movimiento o desconexión de la manguera
• Mayor riesgo de fugas o problemas de rendimiento
Sustituir las abrazaderas desgastadas garantiza una instalación segura y protege los sistemas críticos.
Números de referencia relacionados
Números relacionados, reemplazados, de referencia cruzada o alternativos para comparación.
99951242802
El producto que está viendo hace referencia cruzada a estos números
- Porsche 911 1984-1986 3.2L
- Porsche 911 1987-1989 3.2L G50
- Porsche 964 (911) C2 1989-93
- Porsche 964 (911) C4 1989-93
- Porsche 964 (911) RS 3.6L 1991-93
- Porsche 964 (911) RS 3.8L 1991-93
- Porsche 993 (911) C2 1994-97
- Porsche 993 (911) C4 1994-97
- Porsche 993 (911) RS 1994-97
- Porsche 993 (911) C2S 1994-97
- Porsche 993 (911) C4S 1994-97
- Porsche 944 2.5L 8V 1982-87
- Porsche 944 2.7L 8V 1988-89
- Porsche 944S 2.5L 16V 1987-88
- Porsche 944S2 3.0L 16V 1989-91
- Porsche 944 Turbo 2.5L 8V 1985-88
- Porsche 944 Turbo 2.5L 8V 1989-91
- Porsche 944 Turbo S 2.5L 8V 1988
Abrazadera – Abrazadera para manguera de dirección asistida y aire acondicionado
Se vende cada uno
Abrazadera de alta calidad diseñada para fijar las mangueras de la dirección asistida y del aire acondicionado en los modelos Porsche 911 y 928.
Esta abrazadera asegura que las mangueras queden firmemente sujetas, manteniendo el recorrido correcto y evitando movimientos, vibraciones o posibles daños en el compartimento del motor. Desempeña un papel importante en la fiabilidad del sistema de dirección asistida y el rendimiento del aire acondicionado.
Se adapta a:
- Porsche 911 1987-1989 3.2L G50
- Porsche 911 1987-1989 3.3L Turbo (930)
- Porsche 928S4 5.0L 1987-92
- Porsche 928GT 5.0L 1989-91
- Porsche 928GTS 5.4L 1992-95
Diagrama ref. n.º 32
Fabricada según las especificaciones del fabricante original, esta abrazadera ofrece un ajuste preciso, durabilidad y resistencia a la corrosión. Se suministra individualmente y es ideal para el mantenimiento, la reparación o la restauración de los sistemas de mangueras de Porsche.
Características principales
• Apto para Porsche 911 y Porsche 928
• Número de pieza N020601A
• Diseñado para aplicaciones de mangueras de dirección asistida y aire acondicionado.
• Garantiza una fijación y un enrutamiento seguros de la manguera.
• Previene el desgaste y los daños relacionados con las vibraciones.
• Construcción duradera y resistente a la corrosión
• Ajuste y rendimiento al estilo OEM
• Se venden por unidad
Función y propósito
Esta abrazadera es un componente fundamental para la sujeción de la manguera.
Ayuda a:
• Asegure las mangueras de la dirección asistida en su posición.
• Mantener el enrutamiento correcto de las líneas de CA
• Evitar el movimiento y la vibración de la manguera.
• Proteja las mangueras del desgaste y los daños.
• Garantizar el funcionamiento fiable del sistema
¿Por qué reemplazar las abrazaderas?
Las abrazaderas pueden deteriorarse con el tiempo debido al calor y la exposición ambiental.
Los problemas comunes incluyen:
• Pérdida de fuerza de sujeción
• Corrosión o fatiga
• Movimiento o desalineación de la manguera
• Mayor riesgo de fugas o fallos del sistema
Sustituir las abrazaderas desgastadas garantiza una instalación segura y protege los sistemas críticos.
Números de referencia relacionados
Números relacionados, reemplazados, de referencia cruzada o alternativos para comparación.
N020601A
El producto que está viendo hace referencia cruzada a estos números
- Porsche 911 1987-1989 3.2L G50
- Porsche 911 1978-1989 3.3L Turbo (930)
- Porsche 928S4 5.0L 1987-92
- Porsche 928GT 5.0L 1989-91
- Porsche 928GTS 5.4L 1992-95
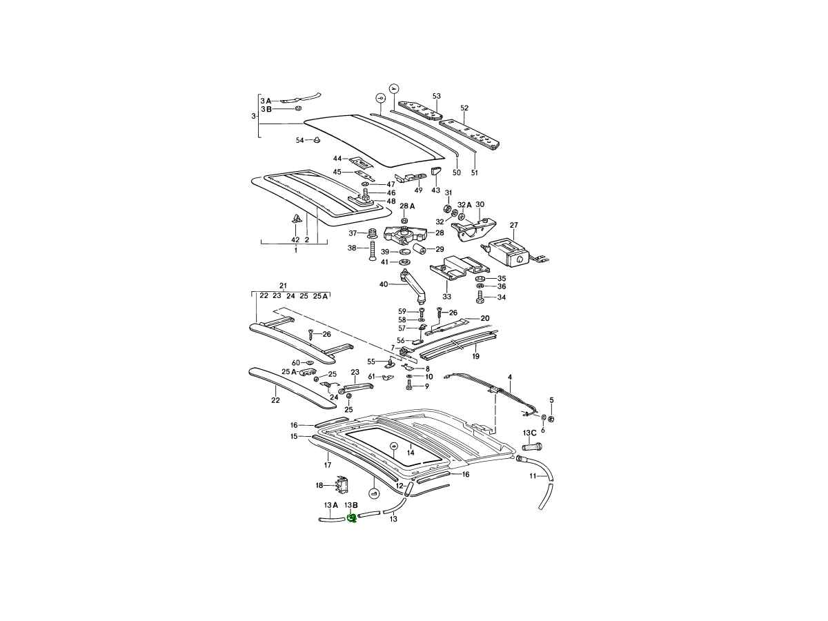
Abrazadera B12/8 – Abrazadera para el desagüe del techo solar y el mazo de cables
Se vende cada uno
Abrazadera B12/8 de alta calidad diseñada para fijar componentes en los modelos Porsche 911 y 928.
Esta abrazadera se utiliza en el tubo de drenaje del techo solar de los modelos Porsche 911 (1988-1989) y para fijar el mazo de cables en el Porsche 928, garantizando un correcto enrutamiento y la protección de los sistemas clave.
Diagrama ref. n.º 13B
Fabricada según las especificaciones del fabricante original, esta abrazadera ofrece un ajuste seguro, durabilidad y resistencia a la corrosión. Se suministra individualmente y es ideal para el mantenimiento, la reparación o la restauración de sistemas Porsche clásicos.
Características principales
• Tamaño de la abrazadera B12/8
• Apto para Porsche 911 y Porsche 928
• Número de pieza N0206211
• Se utiliza para tubos de drenaje de techos corredizos y mazos de cables.
• Garantiza un montaje y enrutamiento seguros.
• Construcción duradera y resistente a la corrosión
• Ajuste y rendimiento al estilo OEM
• Se venden por unidad
Función y propósito
Esta abrazadera está diseñada para fijar mangueras y cables en su lugar.
Ayuda a:
• Sujete firmemente los tubos de drenaje del techo corredizo (911)
• Mantener el enrutamiento correcto de los mazos de cables (928)
• Previene daños por movimiento y vibración.
• Proteger las mangueras y los componentes eléctricos
• Garantizar la fiabilidad del sistema a largo plazo
¿Por qué reemplazar las abrazaderas?
Las abrazaderas pueden deteriorarse con el tiempo debido a la exposición ambiental.
Los problemas comunes incluyen:
• Pérdida de fuerza de sujeción
• Corrosión o fatiga
• Movimiento de mangueras o cables
• Mayor riesgo de fugas o desgaste eléctrico
Sustituir las abrazaderas desgastadas garantiza una sujeción adecuada y la protección del sistema.
Números de referencia relacionados
Números relacionados, reemplazados, de referencia cruzada o alternativos para comparación.
N0206211
El producto que está viendo hace referencia cruzada a estos números
- Porsche 911 1987-1989 3.2L G50
- Porsche 911 1978-1989 3.3L Turbo (930)
- Porsche 928 4.5L 1978-82
Abrazadera B12/8 – Abrazadera para el desagüe del techo solar y el mazo de cables
Se vende cada uno
Abrazadera B12/8 de alta calidad diseñada para fijar componentes en los modelos Porsche 911 y 928.
Esta abrazadera se utiliza en el tubo de drenaje del techo solar de los modelos Porsche 911 (1988-1989) y para fijar el mazo de cables en el Porsche 928, garantizando un correcto enrutamiento y la protección de los sistemas clave.
Diagrama ref. n.º 13B
Fabricada según las especificaciones del fabricante original, esta abrazadera ofrece un ajuste seguro, durabilidad y resistencia a la corrosión. Se suministra individualmente y es ideal para el mantenimiento, la reparación o la restauración de sistemas Porsche clásicos.
Características principales
• Tamaño de la abrazadera B12/8
• Apto para Porsche 911 y Porsche 928
• Número de pieza N0206211
• Se utiliza para tubos de drenaje de techos corredizos y mazos de cables.
• Garantiza un montaje y enrutamiento seguros.
• Construcción duradera y resistente a la corrosión
• Ajuste y rendimiento al estilo OEM
• Se venden por unidad
Función y propósito
Esta abrazadera está diseñada para fijar mangueras y cables en su lugar.
Ayuda a:
• Sujete firmemente los tubos de drenaje del techo corredizo (911)
• Mantener el enrutamiento correcto de los mazos de cables (928)
• Previene daños por movimiento y vibración.
• Proteger las mangueras y los componentes eléctricos
• Garantizar la fiabilidad del sistema a largo plazo
¿Por qué reemplazar las abrazaderas?
Las abrazaderas pueden degradarse con el tiempo debido a la exposición ambiental.
Los problemas comunes incluyen:
• Pérdida de fuerza de sujeción
• Corrosión o fatiga
• Movimiento de mangueras o cables
• Mayor riesgo de fugas o desgaste eléctrico
Sustituir las abrazaderas desgastadas garantiza una sujeción adecuada y la protección del sistema.
Números de referencia relacionados
Números relacionados, reemplazados, de referencia cruzada o alternativos para comparación.
N0206211
El producto que está viendo hace referencia cruzada a estos números
- Porsche 911 1987-1989 3.2L G50
- Porsche 911 1978-1989 3.3L Turbo (930)
- Porsche 928 4.5L 1978-82